EasyManua.ls Logo

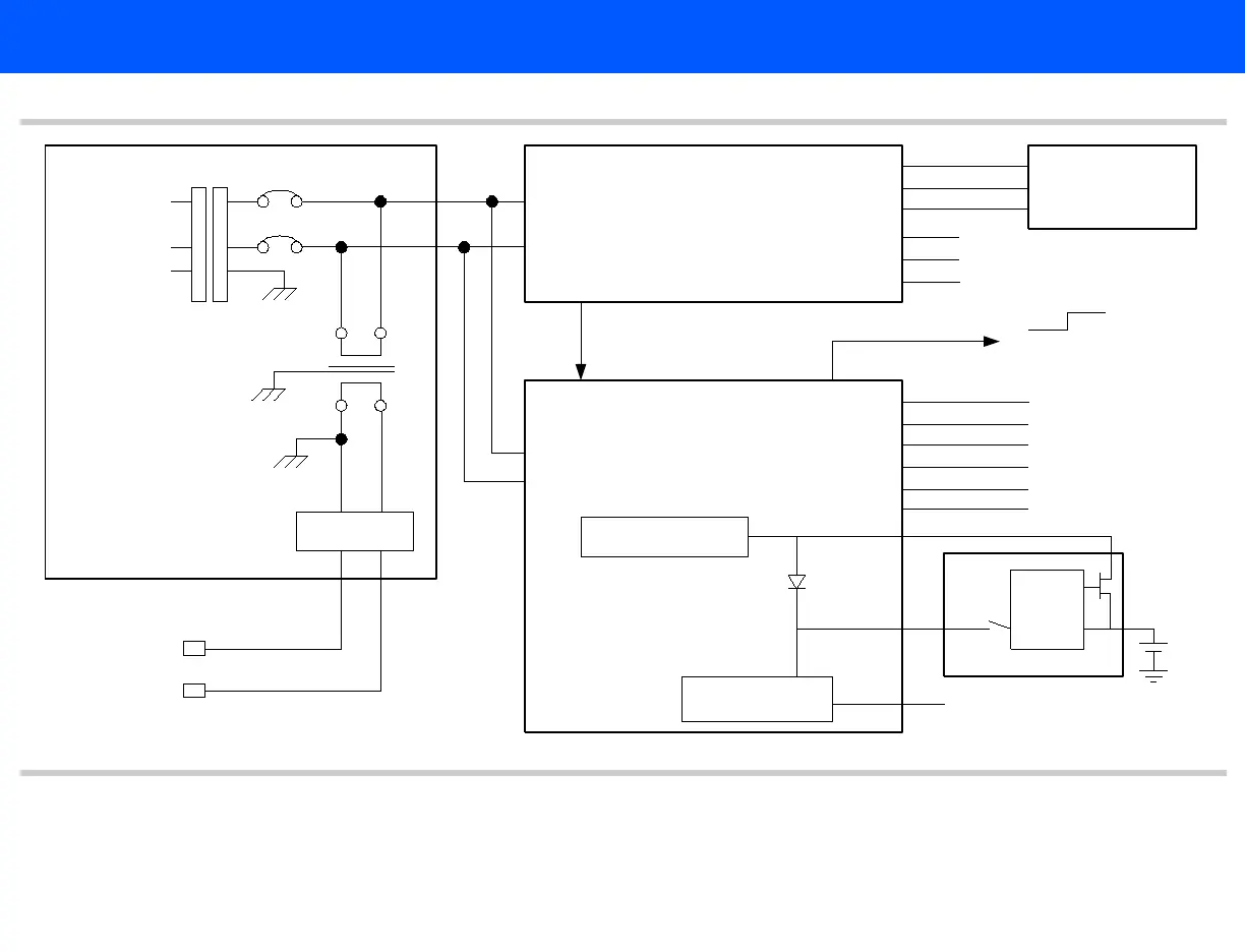
Philips iE33 - Figure 4-2 Power Subsystem Block Diagram

Philips iE33
480 pages
Print Icon
To Next Page IconTo Next Page
To Next Page IconTo Next Page
To Previous Page IconTo Previous Page
To Previous Page IconTo Previous Page
Loading...
4535 611 98931 iE33 Service Manual Page 75
CSIP Level 1 Theory of Operation: Physical Structure
Figure 4-2 Power Subsystem Block Diagram
+12 V standby
+5 V standby
Logic
+5 VSB (To ATX Motherboard)
+12 VSB
Line_OK_n
-12
+12
-5
+5
+3.3
+15
-5.3
+5.3
+3.5
-15
+48
Acq_DC_OK_n
OK
Acq_DC_OK_n
DC_OK_Out
System battery charger
6 V sealed
lead acid
battery
OEM AC relay
L
N
G
100, 120 or
220 - 240
Vac
Main circuit breaker 15 A
Input receptacle/EMI filter
To VCR
To printer
1
2
43
See Figure 4-1
On/Standby Switch and Power
Acquisition Power Supply Module
HV
Switcher
AC Tray
Blue text are links to additional information.

Table of Contents

Other manuals for Philips iE33

Related product manuals