EasyManua.ls Logo

Philips iE33 - Physical Structure

Philips iE33
480 pages
Print Icon
To Next Page IconTo Next Page
To Next Page IconTo Next Page
To Previous Page IconTo Previous Page
To Previous Page IconTo Previous Page
Loading...
4535 611 98931 iE33 Service Manual Page 71
CSIP Level 1 Theory of Operation: Physical Structure
Physical
Structure
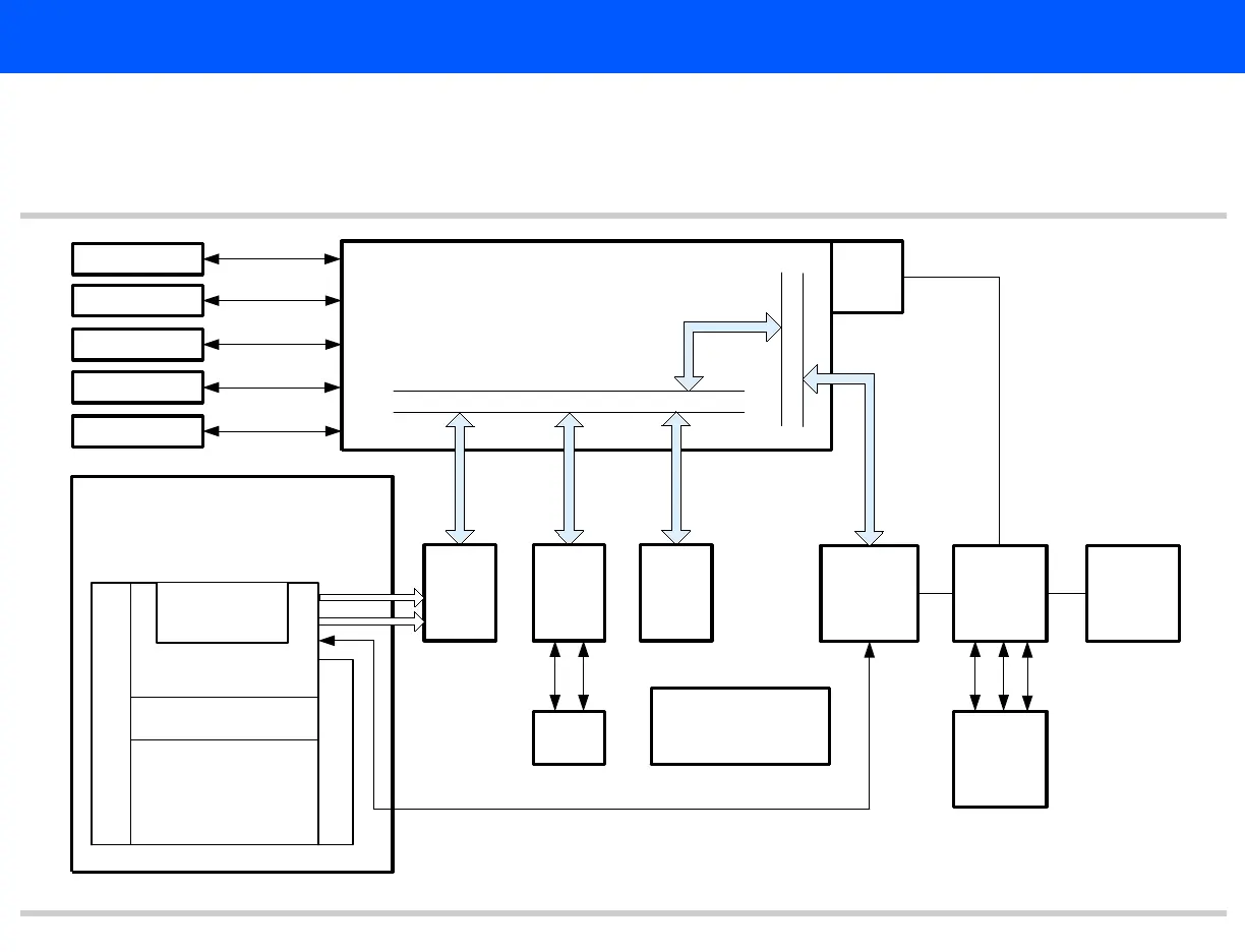
The system physical structure is illustrated in Figure 4-1.
Figure 4-1 iE33 Physical Structure
FEC
Scanhead Select
NAIM
Channel
Boards
Motor
Control
Acq Front Plane
DSC
SIP
AVIO
CAD
Display
Blue text are links to additional information.
OEMs
Hard
Drives
IDE
USB
USB
USB
Ethernet
PCI Bus - 64 Bit
PCI Bus - 32 Bit
Ext Network
CP/UIF
Modem
DVD
Hard Drive
RFA
RFB
USB
Data Paths:
2D
M-mode
Color
PW
CW
Acquisition Subsystem
Power
Subsystem
Host
AVIO
RIP
AGP
IEP

Table of Contents

Other manuals for Philips iE33

Related product manuals