EasyManua.ls Logo

Xerox Phaser 6360 - Page 450

Xerox Phaser 6360
564 pages
Print Icon
To Next Page IconTo Next Page
To Next Page IconTo Next Page
To Previous Page IconTo Previous Page
To Previous Page IconTo Previous Page
Loading...
9-22 Phaser 6300/6350/6360 Color Laser Printer Service Manual
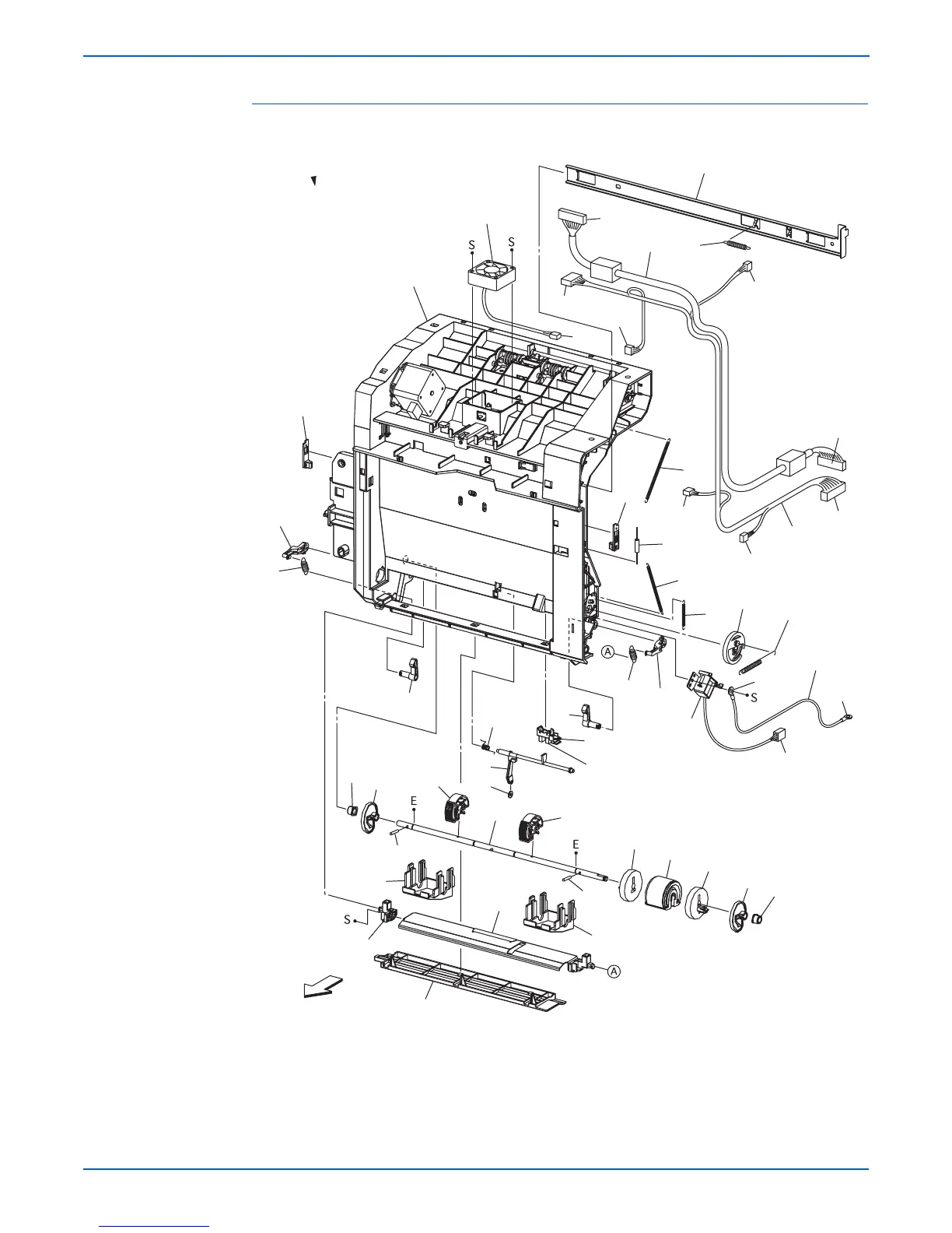
Parts List
Parts List 5.3 Chute Assembly Out
Tray 1 (MPT) No
Paper Sensor
s6360-297
Front
32
2
27
31
33
34
28
3
4
6
5
4
7
8
9
11
12
15
36
37
37
13
16
17
18
38
38
19
20
19
17
21
29
10
11
10
5
26
30
[Ref PL5.4]
(J220)
(J133)
(J482)
(J134)
(J135)
(J132)
(J22)
(J13)
(J1322)
(J1321)
(P501)
(P132)
(P135)
32
35
14
1 (with 2-38, PL5.4, PL10.1.9)

Table of Contents

Other manuals for Xerox Phaser 6360

Related product manuals