EasyManua.ls Logo

Doosan DA40 - Cylinder head - XPI system Tier4; Cylinder head, parts view. XPI system Tier4

Doosan DA40
945 pages
Print Icon
To Next Page IconTo Next Page
To Next Page IconTo Next Page
To Previous Page IconTo Previous Page
To Previous Page IconTo Previous Page
Loading...
SHOP MANUAL
Engine
Ch 1 page 72
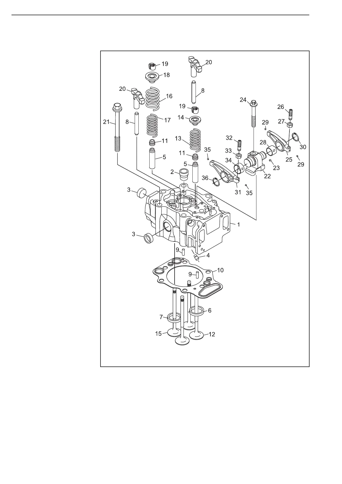
Cylinder head, parts view. XPI system Tier4
1. Cylinder head
2. Sleeve
3. Core plug
4. Rivet
5. Valve guide
6. Valve seat insert
7. Valve seat insert
8. Pin
9. Pin
10. Cylinder head gasket
11. Seal
12. Intake valve
13. Valve spring
14. Valve spring collar
15. Exhaust valve
16. Valve spring
17. Valve spring
18. Valve spring collar
19. Collet
20. Valve bridge
21. Bolt
22. Bearing bracket
23. Rivet plug
24. Bolt
25. Rocker arm
26. Adjusting screw
27. Hexagon nut
28. Bushing
29. Rivet plug
30. Snap ring
31. Rocker arm
32. Adjusting screw
33. Hexagon nut
34. Bushing
35. Rivet plug
36. Snap ring
Cylinder head - XPI system Tier4
Figure 133

Table of Contents