EasyManua.ls Logo

Doosan DA40 - Pumps, disassemble - assemble the shaft

Doosan DA40
945 pages
Print Icon
To Next Page IconTo Next Page
To Next Page IconTo Next Page
To Previous Page IconTo Previous Page
To Previous Page IconTo Previous Page
Loading...
SHOP MANUAL
Ch 5 page 31
HYDRAULIC SYSTEM
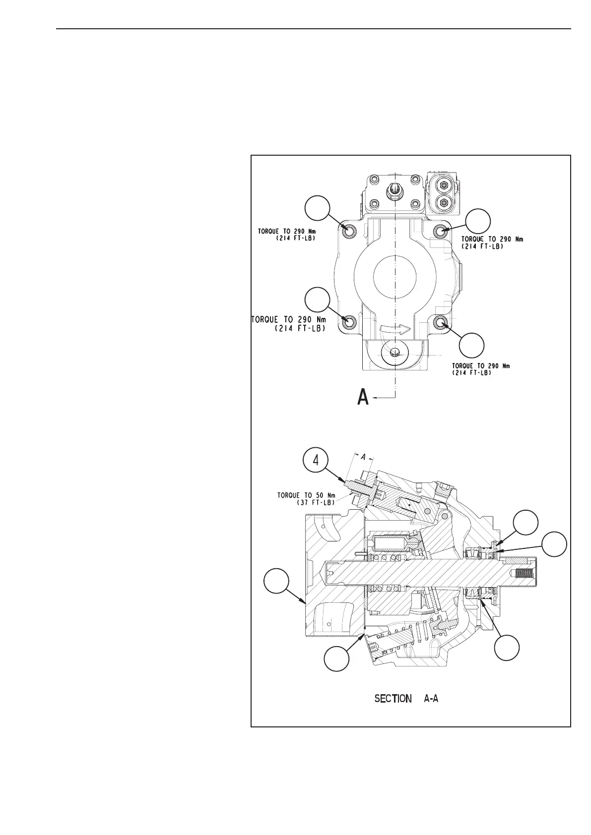
1.Take the dimension A – top of
max. volume stop screw to servo
cover.
2.Screw in the max. volume screw 4
as far as possible.
3.Loosen the rear cover bolts 1 so
that there is approximately 5 mm be-
tween rear cover 2 and housing 3.
4.Disassemble snap ring 5 and pull
shaft seal carrier 6 with two screw
drivers. (do not dam-age the shaft
seal)
5.Disassemble snap ring 7 and pull
out the shaft with the bearing.
6.Put in the new shaft assembly and
the snap ring 7.
7.Put in seal carrier 6 and snap ring
5 (Carefully, do not damage the shaft
seal)
8.Readjust the max. volume screw 4
with dimension A and fasten the nut
(torque 50 Nm).
9.Fasten rear cover bolts 1 with 290
Nm.
1
1
1
1
5
6
7
3
2
Pumps, disassemble - assemble the shaft
Disassembly of the pump in the warranty period is not allowed. In this instance the period of guarantee is
not valid.
Figure 19

Table of Contents