EasyManua.ls Logo

Doosan DA40 - Main Valve Circuit

Doosan DA40
945 pages
Print Icon
To Next Page IconTo Next Page
To Next Page IconTo Next Page
To Previous Page IconTo Previous Page
To Previous Page IconTo Previous Page
Loading...
SHOP MANUAL
HYDRAULIC
Ch 5 page 8 Ch 5 page 9
HYDRAULIC
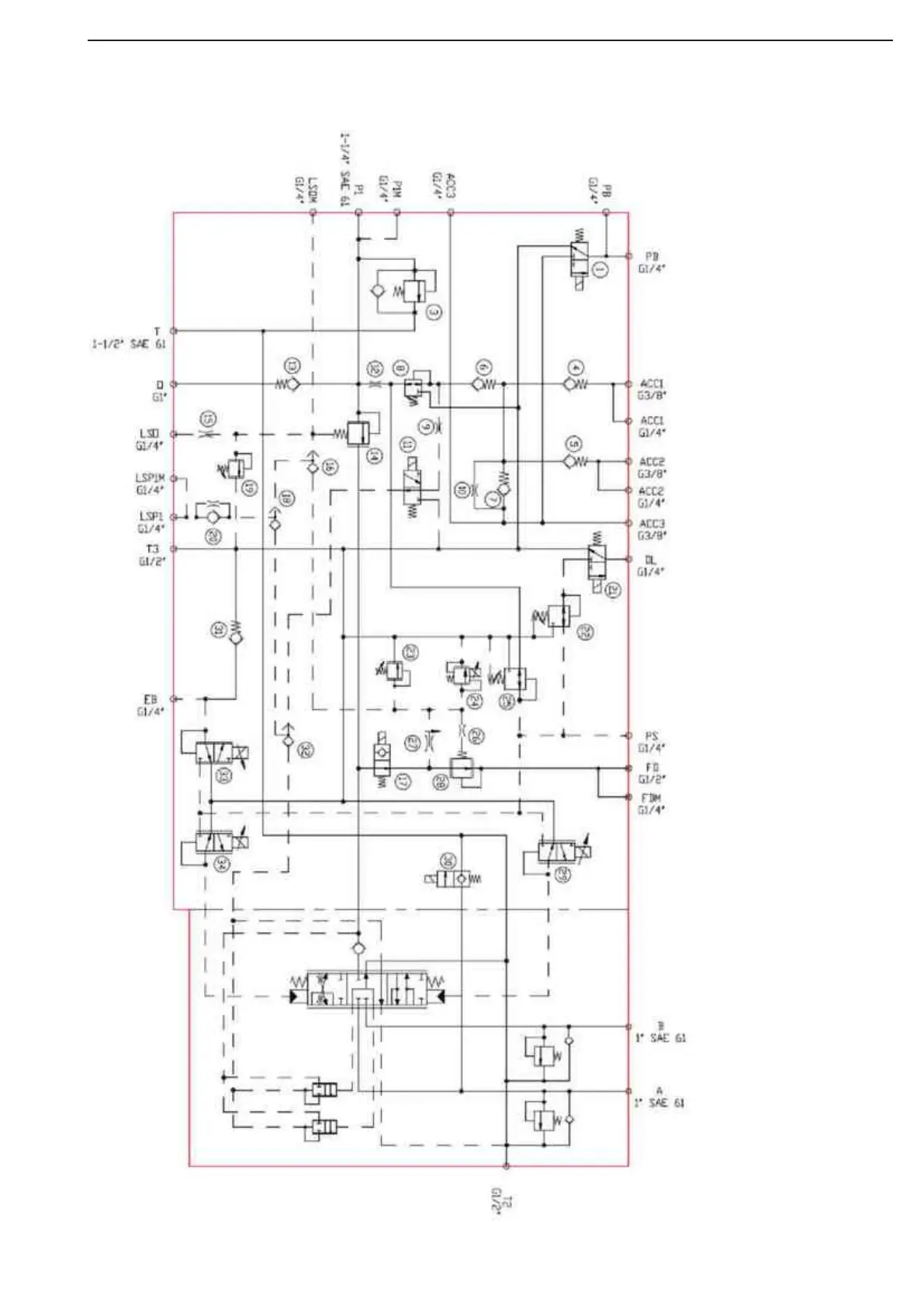
Main Valve Circuit
Figure 4

Table of Contents