EasyManua.ls Logo

Doosan DA40 - Feed pump

Doosan DA40
945 pages
Print Icon
To Next Page IconTo Next Page
To Next Page IconTo Next Page
To Previous Page IconTo Previous Page
To Previous Page IconTo Previous Page
Loading...
Engine
SHOP MANUAL
Ch 1 page 49
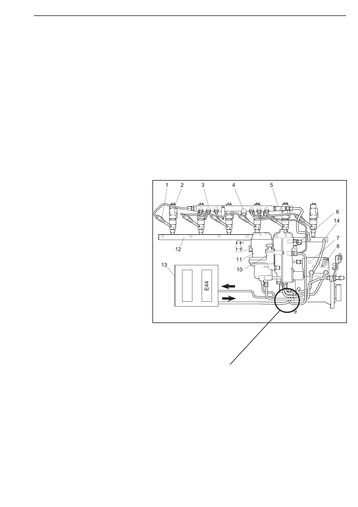
Feed pump
The feed pump 1 draws fuel from the fuel tank and forces it through the fuel filter 11 and into the fuel rail 4.
On the feed pump there is a hand pump 10
The hand pump is used to vent air from the fuel system.
On the fuel rail there is a pressure relief valve 5.
The pressure relief valve constantly regulates the fuel pressure. When the pressure is too high,
the pressure relief valve opens, so that the excess fuel is returned to the fuel tank.
The fuel rail distributes the fuel to the unit injectors in each cylinder head.
The ECU control unit determines when the unit injectors must inject fuel into the cylinders.
1 Connection
2 Injectors
3 Accumulator
4 Fuel pressure sensor
5 Safety valve
6 Bleed nipple
7 High pressure pump
8 Fuel inlet metering valve
9 Feed pump
10 Hand pump
11 Fuel filter, 2 off
12 Fuel manifold for return fuel
13 Engine control unit with control
unit cooler
14 Overflow valve
Feed pump
Figure 76

Table of Contents