EasyManua.ls Logo

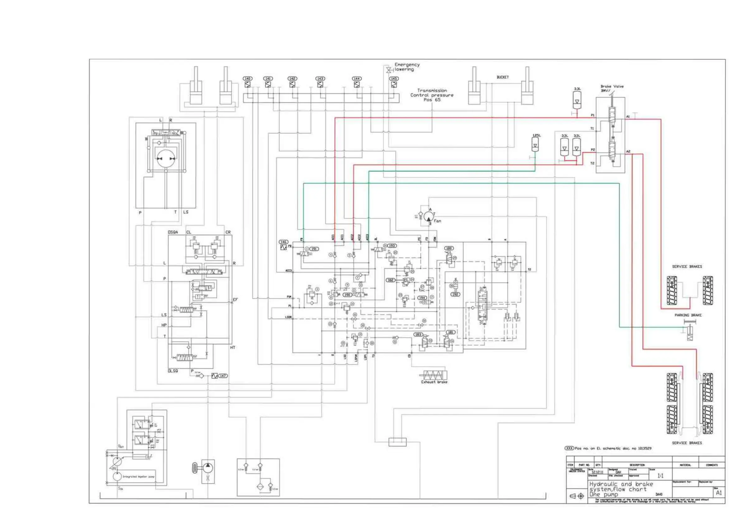
Doosan DA40 - Brakes; Brake circuit view

Doosan DA40
945 pages
Print Icon
To Next Page IconTo Next Page
To Next Page IconTo Next Page
To Previous Page IconTo Previous Page
To Previous Page IconTo Previous Page
Loading...
HYDRAULIC
Ch 5 page 56 Ch 5 page 57
HYDRAULIC
Brakes
Brake circuit view

Table of Contents