EasyManua.ls Logo

Doosan DA40 - Removal and refitting of speed sensor n4-output; Removal:; Retting:

Doosan DA40
945 pages
Print Icon
To Next Page IconTo Next Page
To Next Page IconTo Next Page
To Previous Page IconTo Previous Page
To Previous Page IconTo Previous Page
Loading...
SHOP MANUAL
TRANSMISSION
Ch 2 page 36 Ch 2 page 37
TRANSMISSION
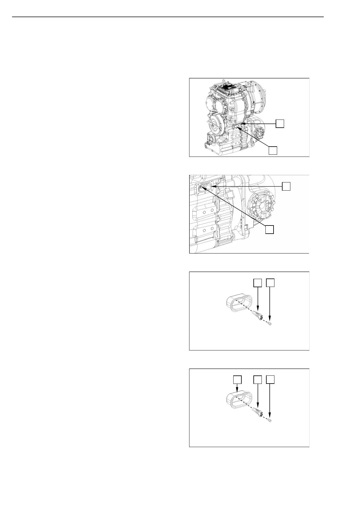
Removal and refitting of speed sensor n4-output
1
2
1
2
2
1
3
2
1
Removal:
Loosen cylindrical screws (1) and remove cover (2) with seal.
Open the locking of plug connection for wiring harness/speed
sensor (1) and disconnect the plug. Pull out the xing plate (2).
Loosen cylindrical screw (1) and remove speed sensor (2).
Retting:
Insert the speed sensor (2) into the fixing plate (3) and fix it with
cylindrical screw (1).
Tightening torque (M6/8.8x12) MA = 9.5 Nm
Legend of speed sensor:
2 = speed sensor - n4 output
Figure 59
Figure 60
Figure 62
Figure 61

Table of Contents