EasyManua.ls Logo

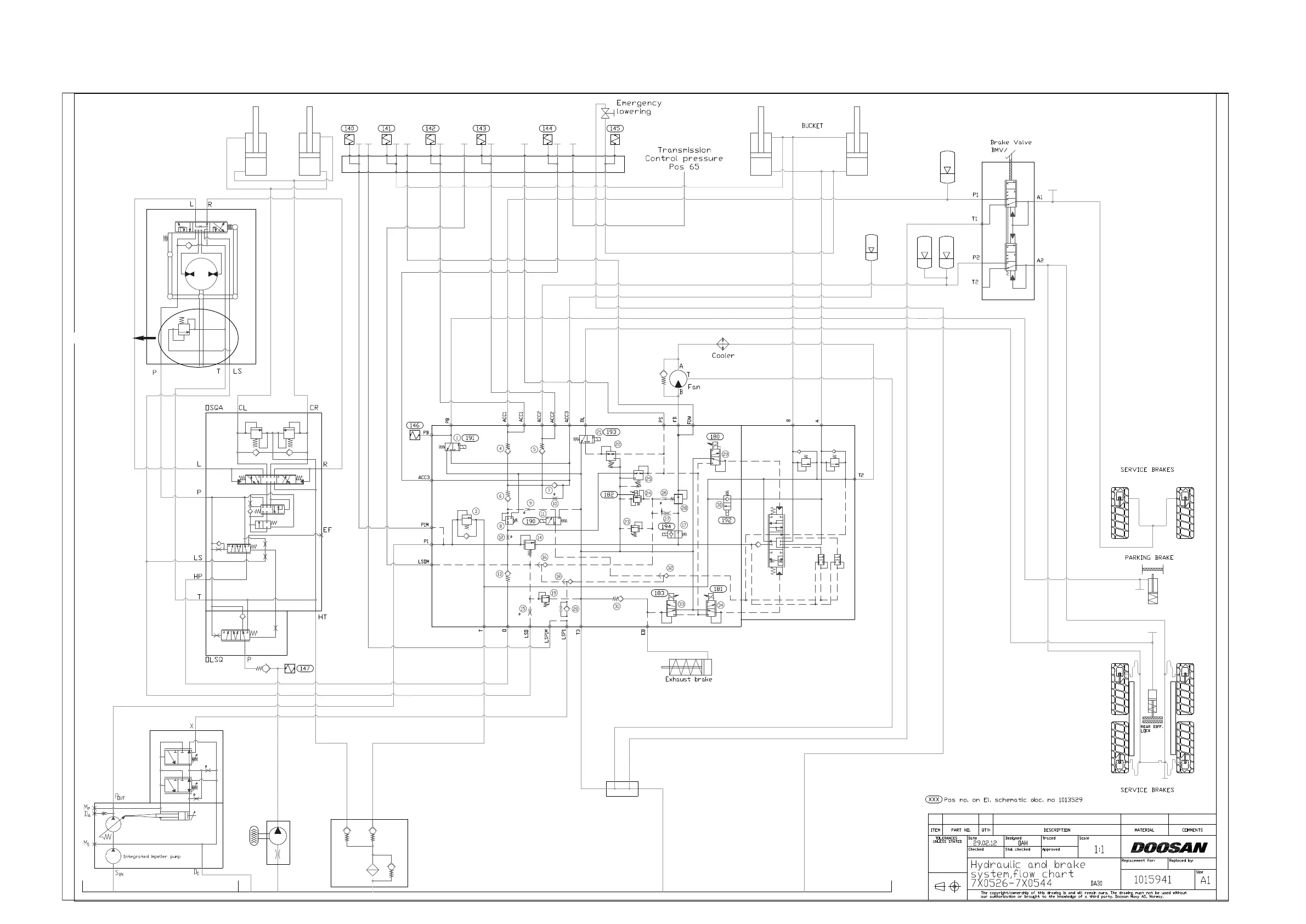
Doosan DA40 - Hydraulic circuit DA30

Doosan DA40
945 pages
Print Icon
To Next Page IconTo Next Page
To Next Page IconTo Next Page
To Previous Page IconTo Previous Page
To Previous Page IconTo Previous Page
Loading...
HYDRAULIC
Ch 5 page 18 Ch 5 page 19
HYDRAULIC
Hydraulic circuit DA30
3,0 bar
3,5 bar
0,2 bar0,2 bar
bar
300
1,2
bar
210
205
bar
1,5
0,8
bar
280
bar
210
bar
280
bar
35
bar
300
bar
0,2
bar
80
bar
24
250
bar
0,6
0,8
280
bar
0,8
0,8
20
bar
Up to mod. no. 7X0545

Table of Contents