EasyManua.ls Logo

Doosan DA40 - Page 592

Doosan DA40
945 pages
Print Icon
To Next Page IconTo Next Page
To Next Page IconTo Next Page
To Previous Page IconTo Previous Page
To Previous Page IconTo Previous Page
Loading...
SHOP MANUAL
HYDRAULIC
Ch 5 page 12 Ch 5 page 13
HYDRAULIC
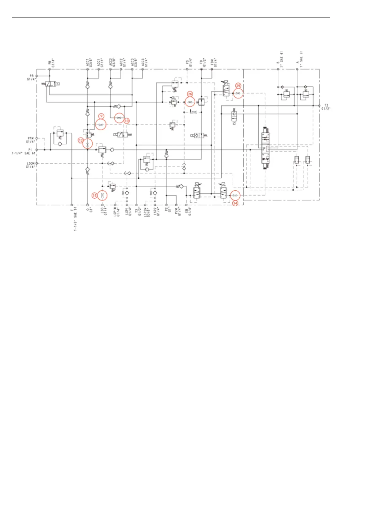
Position 9: Orifice M6 - Ø 0,8mm
Damping the activation of brake charging.
Position 10: Orifice M6 - Ø 0,8mm
Limit the charge rate of the parking brake accumulator (ACC 3).
Position 12: Orifice M6 - Ø 1,5mm
Limiting flow to brake charge circuit, pilot supply and diff lock function. The flow reduction is reducing the maxi-
mum flow loss from steering when charging is activated while also softening the accumulator charge sequence.
Position 15: Orifice M6 - Ø 1,2mm
Flow limiting flow orifice for steering maximum LS-pressure limiter (Pos. 19)
Position 26: Orifice M6 - Ø 0,6mm
Damping orifice for fan flow regulating valve (Pos. 28)
Position 29: Orifice Washer - Ø 1,2mm
Placed on the face of the proportional reducing valve to control the body lift motion.
Position 34: Orifice Washer - Ø 1,2mm
Placed on the face of the proportional reducing valve to control the body lowering motion.
Figure 6

Table of Contents