EasyManua.ls Logo

Doosan DA40 - Page 846

Doosan DA40
945 pages
Print Icon
To Next Page IconTo Next Page
To Next Page IconTo Next Page
To Previous Page IconTo Previous Page
To Previous Page IconTo Previous Page
Loading...
SHOP MANUALSHOP MANUAL
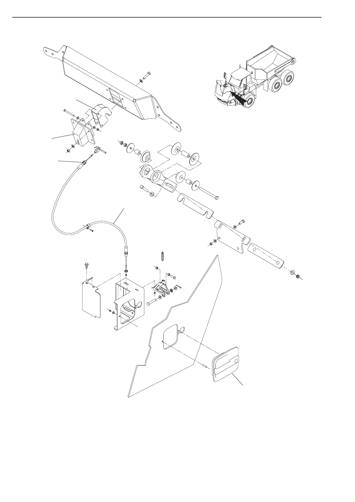
FRONT WAGON
Ch 7 Page 40 Ch 7 Page 41
FRONT WAGON
Bonnet Lock Assembly
Release
Wire
Bonnet
Lock
Release
Handle
Adjustable
Bonnet Lock
Receptacle
Lock
Bracket
Adjusting
Nuts
Release
Mechanism
Figure 89

Table of Contents