EasyManua.ls Logo

Avaya Definity SI - Page 2440

Avaya Definity SI
2968 pages
Print Icon
To Next Page IconTo Next Page
To Next Page IconTo Next Page
To Previous Page IconTo Previous Page
To Previous Page IconTo Previous Page
Loading...
Maintenance Object Repair Procedures
555-233-123
10-1654 Issue 4 May 2002
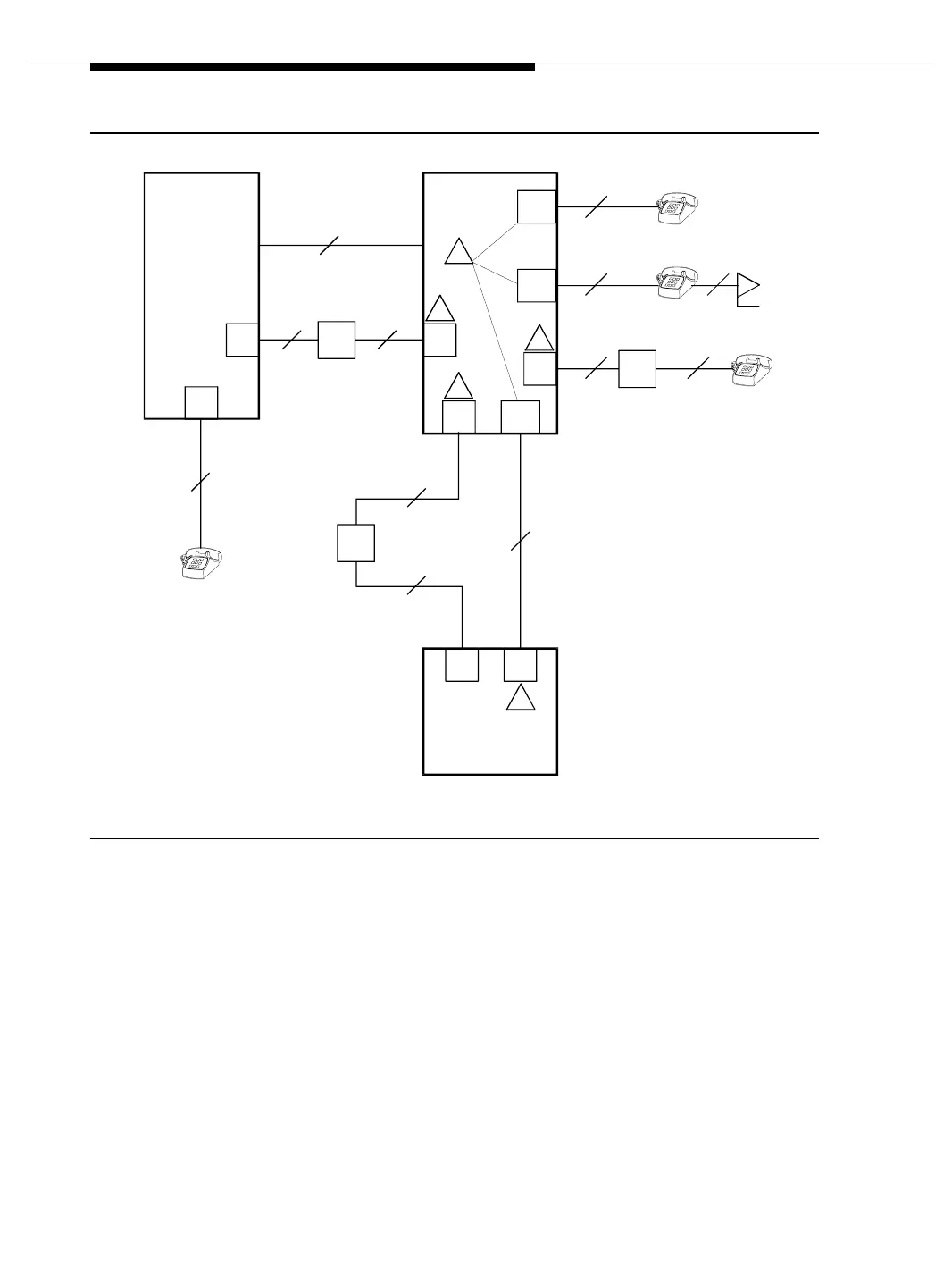
Figure 10-95. Integrated Trunk-Side BRI, ISDN Interface Reference Points
CO
NT
2-Wire
NT
2-Wire
NT
2-Wire
NT
4-Wire
4-Wire
4-Wire
NT
2-Wire
NT
4-Wire
PBX
PBX
LT TE
TE TE
cydfisdn RPY 072397
NT2
LT
LT
NT2
NT2
Terminal
Adapter
NT2
S/T
TE
TE
NT1
V
PRI
U
U
T
S/T
T
S
S
UT
R
NT1
NT1
ISDN Interface Reference Points
1
2
3
4
5

Table of Contents

Related product manuals