EasyManua.ls Logo

Avaya Definity SI - Page 2306

Avaya Definity SI
2968 pages
To Next Page IconTo Next Page
To Next Page IconTo Next Page
To Previous Page IconTo Previous Page
To Previous Page IconTo Previous Page
Loading...
Maintenance Object Repair Procedures
555-233-123
10-1520 Issue 4 May 2002
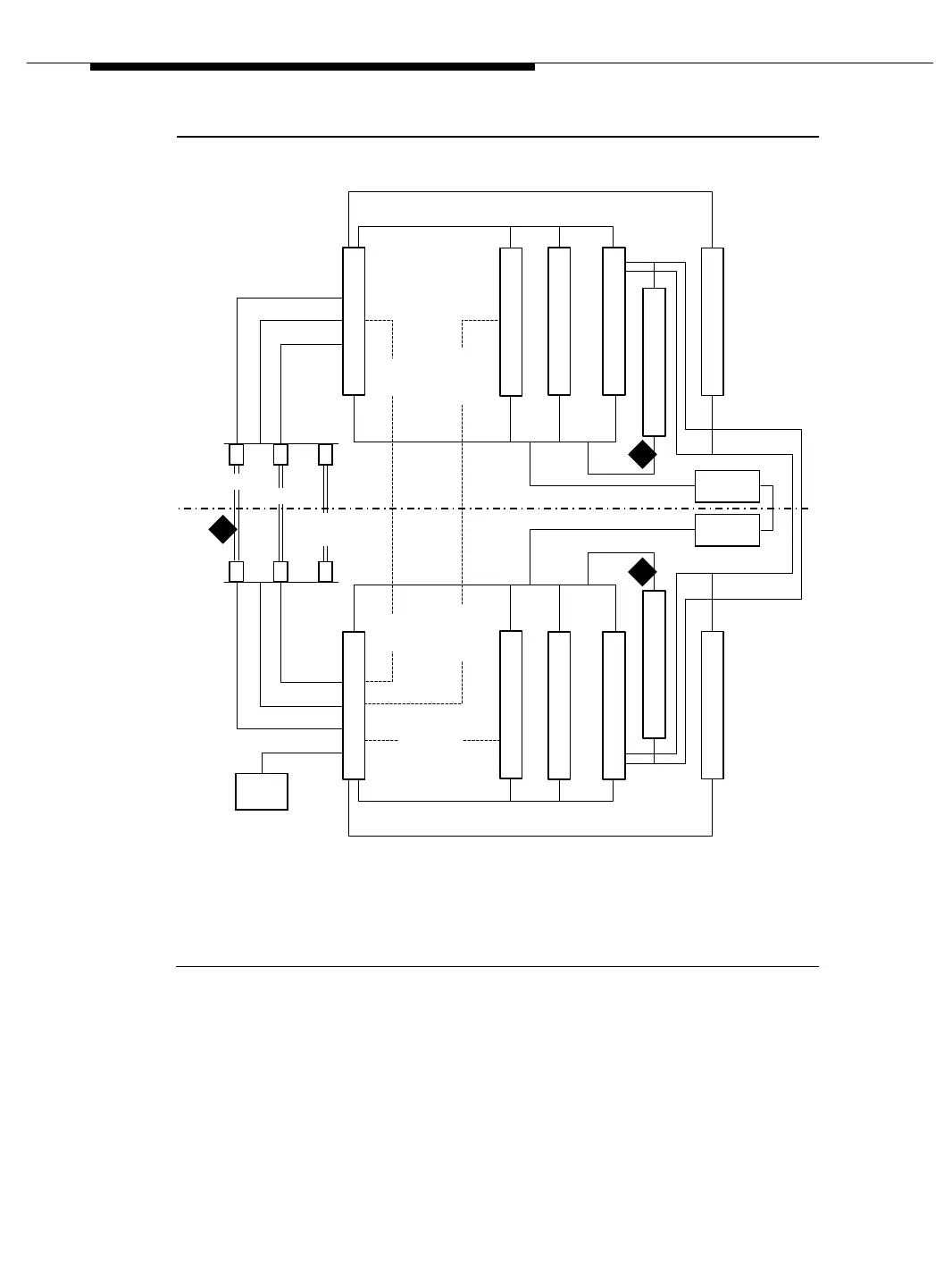
Figure 10-89. STBY-SPE interactions
Figure Notes:
1. Fiber optic connection (front of TN792)
2. Processor Interface circuit pack
ICC-A
ICC-B
ICC-C
(SCC only)
MBUS
MBUS
Packet
Bus
Packet
Bus
TDM Bus A
TDM Bus A
Pkt ctrl
Pkt ctrl
B
c
arrier
A
c
arrier
DUP-A
to
MTP-B
DUP-A
to
MTP-B
SPE select lead
SPE select lead
Tone-Clock select lead
Tone-Clock select lead
1
2
2
T
O
N
E
C
L
O
C
K
TDM Bus B
TDM Bus B
P
R
O
C
E
S
S
O
R
M
E
M
O
R
Y
Shadow
Shadow
Serial
Serial
Control
Control
D
U
P
I
N
T
DUP-
DUP
DUP-
DUP
N
E
T
P
K
T
P
I
1
P
I
1
D
U
P
I
N
T
P
R
O
C
E
S
S
O
R
M
E
M
O
R
Y
N
E
T
P
K
T
DUP-A to
MTP-A
SAT
cydfdicp LJK 042699
T
O
N
E
C
L
O
C
K

Table of Contents

Related product manuals