EasyManua.ls Logo

Freescale Semiconductor MPC5604B - Clock Gating

Default Icon
934 pages
Print Icon
To Next Page IconTo Next Page
To Next Page IconTo Next Page
To Previous Page IconTo Previous Page
To Previous Page IconTo Previous Page
Loading...
MPC5604B/C Microcontroller Reference Manual, Rev. 8
94 Freescale Semiconductor
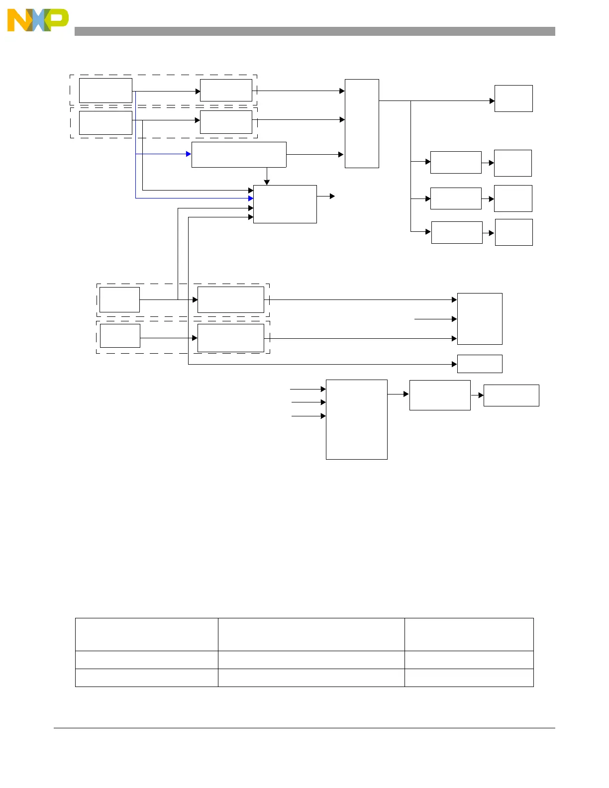
Figure 6-1. MPC5604B system clock generation
6.2 Clock gating
The MPC5604B provides the user with the possibility of gating the clock to the peripherals. Table 6-1
describes for each peripheral the associated gating register address. See the ME_PCTLn section in this
reference manual.
Additionally, peripheral set (1, 2 or 3) frequency can be configured to be an integer (1 to 16) divided
version of the main system clock. See the CGM_SC_DC0 section in this reference manual for details.
Table 6-1. MPC5604B — Peripheral clock sources
Peripheral
Register gating address offset
(base = 0xC3FDC0C0)
1
Peripheral set
2
RPP_Z0H Platform none (managed through ME mode)
DSPI_n 4+n (n = 0..2) 2
FXOSC
FIRC
Clock Monitor
Unit
SIRC
Reset
System
Clock
Selector
FMPLL
FXOSC_div
FIRC_div
FMPLL
(e.g. 64 MHz)
SYSCLK
Core
Platform
Peripheral
Set 1
Peripheral
Set 2
SWT
API/RTC
SXOSC
SXOSC
(32 KHz)
/1 to /16
/1 to /16
SXOSC_div
SIRC_div
SIRC
SIRC
FIRC
FXOSC
CLKOUT (PA0)
/1, /2, /4, /8
FMPLL
FIRC
FXOSC
CLKOUT
Selector
Peripheral
Set 3
/1 to /16
/1 to /32
/1 to /32
FIRC_div
/1 to /32
/1 to /32
SIRC_clk_div
SXOSC_div
(128 kHz)
(4–16 MHz)
(16 MHz)
Safe
Interrupt
ME_<mode>_FIRCON
ME_<mode>_FXOSCON
FXOSC_CTL[OSCDIV]
FIRC_TRIM[FIRCDIV]
ME_<mode>
[SYSCLK]
ME_<mode>[FMPLLON] & FMPLL_CR
SXOSC_CTL
SIRC_CTL
SXOSC_CTL[OSCDIV]
SIRC_CTL[SIRCDIV]
CGM_OCDS_SC[SELCTL]
CGM_OCDS_SC[SELDIV]
CGM_SC_DC0
CGM_SC_DC1
CGM_SC_DC2

Table of Contents

Other manuals for Freescale Semiconductor MPC5604B

Related product manuals