EasyManua.ls Logo

Freescale Semiconductor MPC5604B - Features

Default Icon
934 pages
Print Icon
To Next Page IconTo Next Page
To Next Page IconTo Next Page
To Previous Page IconTo Previous Page
To Previous Page IconTo Previous Page
Loading...
MPC5604B/C Microcontroller Reference Manual, Rev. 8
802 Freescale Semiconductor
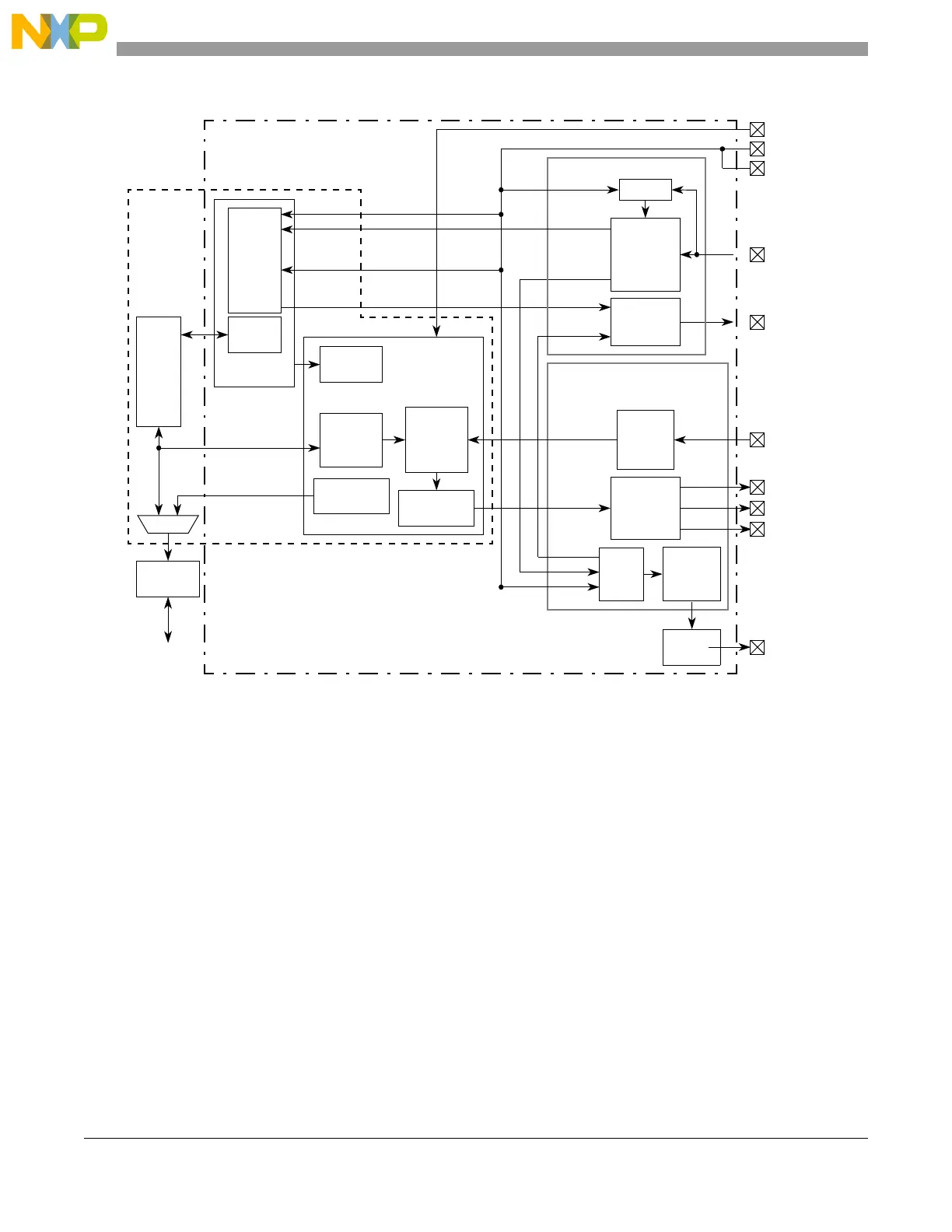
Figure 33-2. NDI Implementation Block Diagram
33.3 Features
The NDI module of the MPC5604B is compliant with Class 2 of the IEEE-ISTO 5001-2003 standard, with
additional Class 3 and Class 4 features available.The following features are implemented:
Program trace via branch trace messaging (BTM). Branch trace messaging displays program flow
discontinuities (direct and indirect branches, exceptions, etc.), allowing the development tool to
interpolate what transpires between the discontinuities. Thus static code may be traced.
Ownership trace via ownership trace messaging (OTM). OTM facilitates ownership trace by
providing visibility of which process ID or operating system task is activated. An ownership trace
message is transmitted when a new process/task is activated, allowing the development tool to
trace ownership flow.
Watchpoint messaging via the auxiliary pins
Watchpoint trigger enable of program trace messaging
Auxiliary interface for higher data input/output
4 message data out pins
TDO
Cross-bar
Power-on
MCKO
EVTO
MDO[3:0]
MSEO
CPU
reset
BP/WP
control
OnCE/
Nexus1
TAP
Program/
ownership
Register
control
Read/write
access
Message
FIFO
Message
transmitter
Nexus2+
interface
Auxiliary
port
arbitration/
MUXing
Reset
control
TAP
Register
control
Clock
control
e200z0
Nexus port
controller
TDO
MUXing
JTAG controller
TDI
EVTI
TMS
Nexus Development Interface
z0_tdo
z0_tms
z0_tdi
tclk
trace
tdi
TAP
npc_tms
z0_tdo
z0_tms
npc_tdo
Access
auxiliary
TAP
npc_tdo
npc_tms
tdi, tclk
TCK

Table of Contents

Other manuals for Freescale Semiconductor MPC5604B

Related product manuals