EasyManua.ls Logo

Fujitsu PRIMERGY RX2540 M4

Fujitsu PRIMERGY RX2540 M4
639 pages
To Next Page IconTo Next Page
To Next Page IconTo Next Page
To Previous Page IconTo Previous Page
To Previous Page IconTo Previous Page
Loading...
RX2540 M4 Upgrade and Maintenance Manual 549
Appendix A
17.2 Connectors and indicators
17.2.1 Connectors and indicators on the system board
17.2.1.1 Onboard connectors
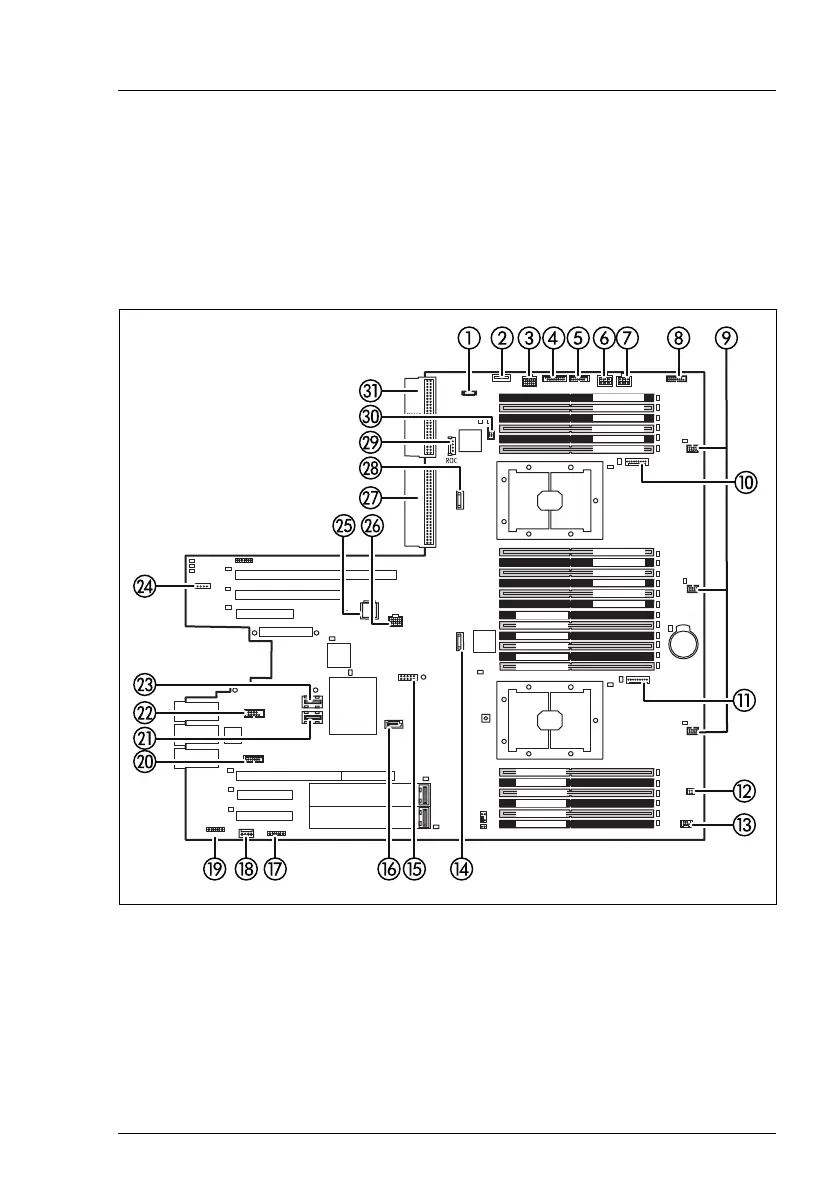
Figure 414: Internal connectors of system board D3384
iRMC
S5
external connectors
INDICATE
CSS
TPM
LAN 1
Slot 3 (CPU1) Riser slot 1
Battery
JP3
SATA
0-3
Front
Panel1
Front
VGA
FAN 5/6
SYS
FAN 3/4
SYS
FAN 1/2
SYS
Slot 1 (CPU1)
Slot 9 (CPU2) Riser slot 2
COM 1
CPU 1 DIMM 1C
CPU 1 DIMM 2C
CPU 1 DIMM 1B
CPU 1 DIMM 2B
CPU 1 DIMM 1A
CPU 1 DIMM 2A
PWR
ODD
OOB
FRONT
FP2
USB3.0
Front
SATA
4-7
SATA
ODD
USB3.0
INT1
PSU1
PSU2
JP2
JP1
1
12
Slot OCP module
Micro
SD
CPU 2 DIMM 2J
CPU 2 DIMM 1H
CPU 2 DIMM 1G
CPU 2 DIMM 2G
CPU 2 DIMM 1J
CPU 2 DIMM 2H
CPU 2 DIMM 1K
CPU 2 DIMM 2L
CPU 2 DIMM 2M
CPU 2 DIMM 1M
CPU 2 DIMM 2K
CPU 2 DIMM 1L
CPU 1 DIMM 2D
CPU 1 DIMM 1D
CPU 1 DIMM 2E
CPU 1 DIMM 1E
CPU 1 DIMM 2F
CPU 1 DIMM 1F
LC2
LC1
CPU2
CPU1
LAN M
USB3.0 1/2
LAN 2
M.2
SSD1
M.2
SSD2
VPP CPU1
HDD LED2
LAN 1/ M
Slot 8 (CPU2)
Slot 7 (CPU2)
Riser slot ext.
Slot 2 (CPU1)RAID
Riser slot ext.
Rear VGA
VPP CPU2
Intrusion
PWR3
PWR2PWR1
PWR4
OOB
REAR
HDD LED1
MBC
BIOS
flash
HDD LED7
VROC

Table of Contents

Other manuals for Fujitsu PRIMERGY RX2540 M4

Related product manuals