EasyManua.ls Logo

Xerox VersaLink B7030 - Page 1228

Xerox VersaLink B7030
1341 pages
Print Icon
To Next Page IconTo Next Page
To Next Page IconTo Next Page
To Previous Page IconTo Previous Page
To Previous Page IconTo Previous Page
Loading...
April 2017
7-152
Xerox® VersaLink® B7025/B7030/B7035 Multifunction Printer
Block Schematic Diagrams (BSDs)
Launch Issue
Wiring Data
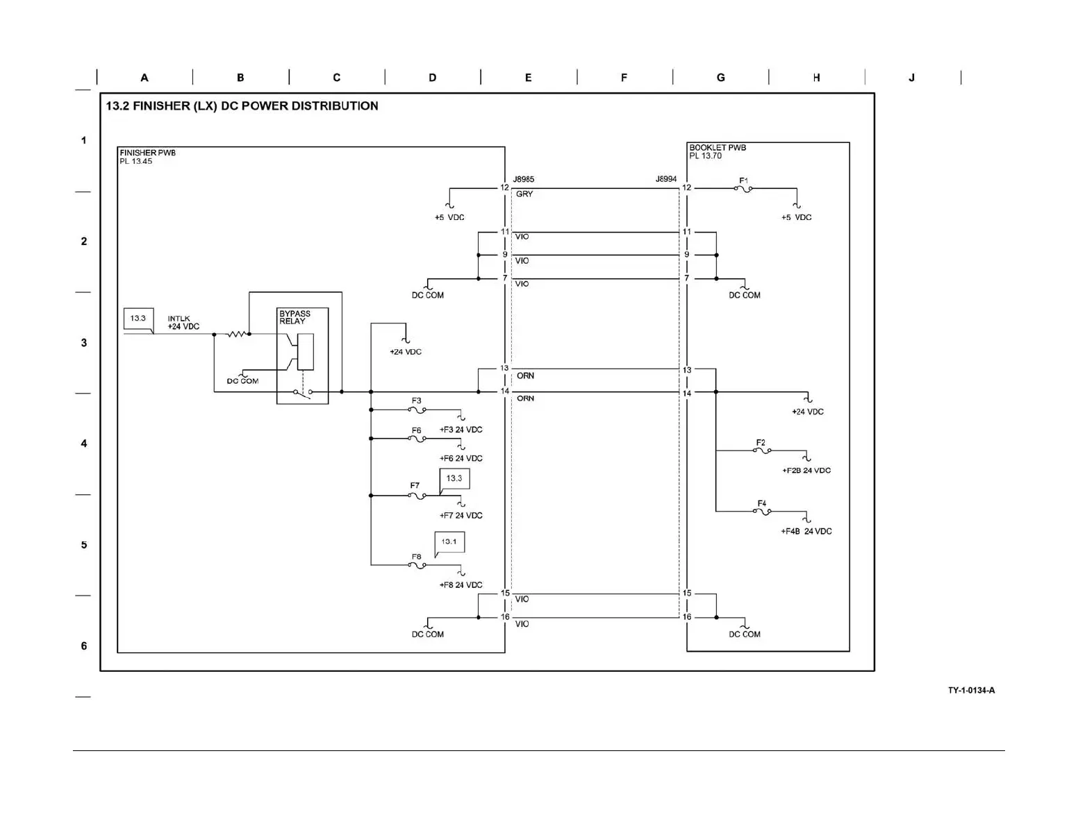
BSD 13.2 Office Finisher LX DC Power Distribution
Figure 96 BSD 13.2

Table of Contents

Other manuals for Xerox VersaLink B7030

Related product manuals