EasyManua.ls Logo

Mitsubishi FR-A800

Mitsubishi FR-A800
746 pages
To Next Page IconTo Next Page
To Next Page IconTo Next Page
To Previous Page IconTo Previous Page
To Previous Page IconTo Previous Page
Loading...
Control method
162
PARAMETERS
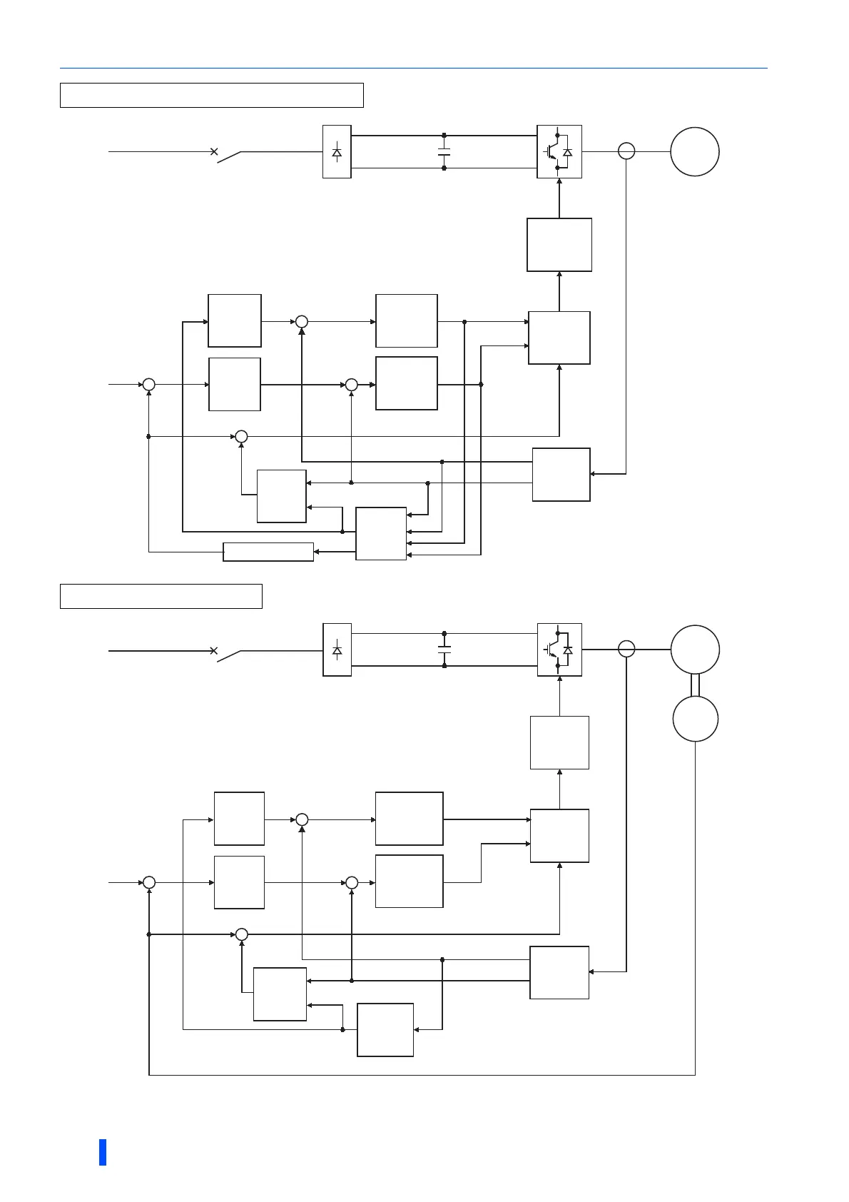
Block diagram of Real sensorless vector control
Block diagram of Vector control
PWM
modulation
output
voltage
conversion
torque
current
control
speed
control
slip
calculation
current
conversion
pre-excitation
current
control
magnetic
flux
control
magnetic
flux
calculation
ω
ω FB
-
+
+
-
iq
id
Vq
Vd
ω 0
ω s
iq
φ
2
id
φ
2
id
IM
ω FB
+
-
iq
ω 0
+
+
iq
id
speed estimation
iq
Vq
Vd
PWM
modulation
output
voltage
conversion
torque
current
control
speed
control
slip
calculation
current
conversion
pre-excitation
current
control
magnetic
flux
control
magnetic
flux
calculation
ω
ω FB
-
+
+
-
iq
id
Vq
Vd
ω0
ω s
iq
φ
2
id
φ
2
id
IM
Encoder
ω FB
+
-
iq
ω 0
+
+
iq
id

Table of Contents

Related product manuals