EasyManua.ls Logo

Mitsubishi FR-A800

Mitsubishi FR-A800
746 pages
To Next Page IconTo Next Page
To Next Page IconTo Next Page
To Previous Page IconTo Previous Page
To Previous Page IconTo Previous Page
Loading...
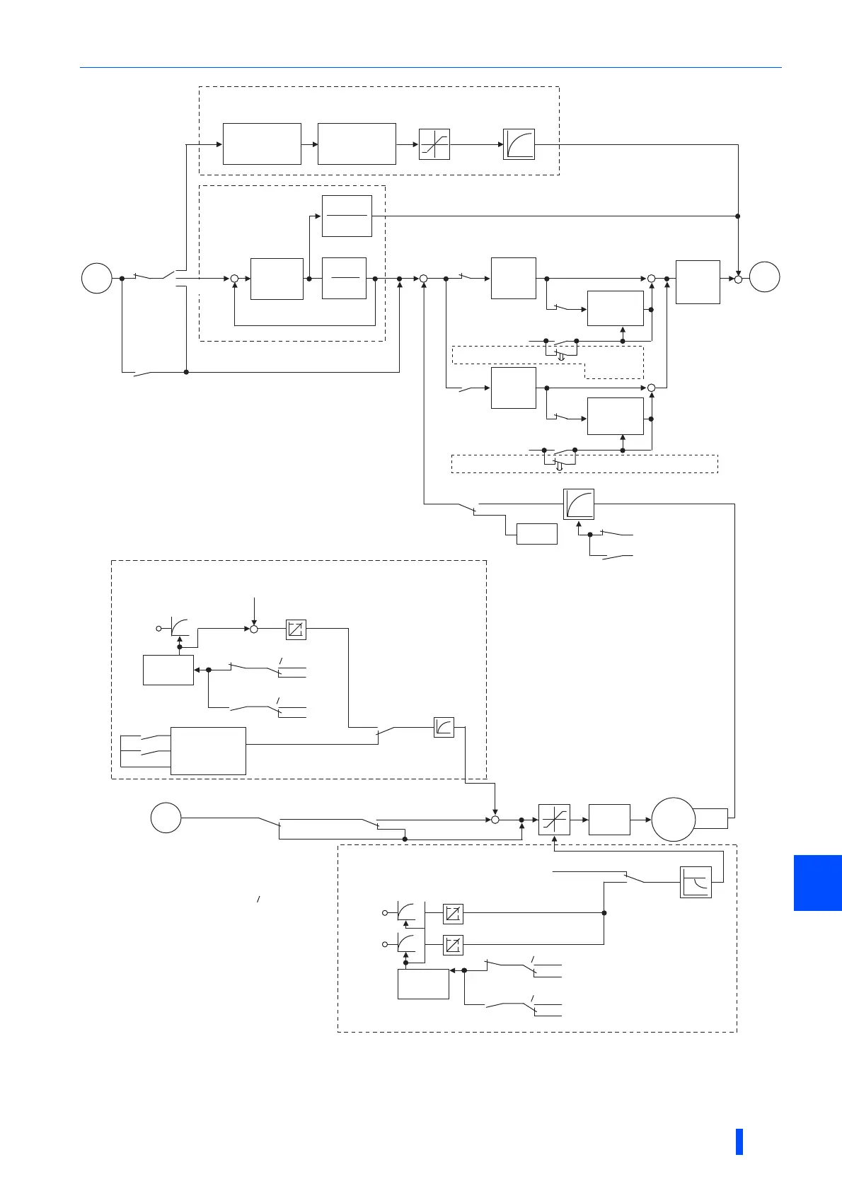
Speed control under Real sensorless vector control, vector control, PM sensorless vector
control
PARAMETERS
179
5
Load inertia ratio
J s
[Pr. 880]
Speed feed forward
gain
[Pr. 881]
Speed feed forward control
Model adaptive speed control
Model speed
control gain
[Pr. 828]
Speed feed forward
torque limit
[Pr. 879]
Speed feed
forward
filter [Pr. 878]
J [Pr. 880]
Model speed
calculation
1
J s
Speed
control
P gain 1
[Pr. 820]
Speed control
integral
time 1
[Pr. 821]
Speed control
integral
time 2
[Pr. 831]
Speed
control
P gain 2
[Pr. 830]
Integration
cleared to 0
Integration
cleared to 0
Real sensorless vector control
[Pr. 800 = 10]
PM sensorless vector control
[Pr. 800 = 9, 13, 14]
Vector control
[Pr. 800 = 0]
Speed
estimation
RT RT
RT
RT
[Pr. 877 = 1]
[Pr. 877 = 0]
+
+
+
+
+
+
+
--
0
0
X44
X44
X44
X44
Speed detection filter
RT
RT
[Pr. 823]
[Pr. 833]
A
B
[Pr. 877 = 2]
Tor qu e
coefficient
+
Notch
filter
[Pr. 862]
[Pr. 863]
Torque bias
operation
time [Pr. 845]
When torque bias is selected
Torque bias operation time [Pr. 845]
When torque bias is selected
+
+
+
-
Torque bias selection
[Pr. 840 = 0 to 2]
Torque bias
Torque bias balance
compensation
[Pr. 846]
Terminal 1 bias [C16, C17(Pr. 919)]
Terminal 1 gain [C18, C19(Pr. 920)]
Fall-time torque bias terminal 1 bias [Pr. 847]
Fall-time torque bias terminal 1 gain [Pr. 848]
Terminal 1
[Pr. 868 = 6]
Torque
setting
filter
Torque bias
[Pr. 841 to 843]
X42
X43
Torque bias
selection
[Pr. 840 = 1, 2]
Torque bias
filter
[Pr. 844]
[Pr. 840 = 0]
Torque limit
Terminal 1
[Pr. 868 = 4]
Terminal 4
[Pr. 858 = 4]
Tor qu e
setting
filter
Terminal 1 bias [C16, C17(Pr. 919)]
Terminal 1 gain [C18, C19(Pr. 920)]
Terminal 4 bias [C38, C39(Pr. 932)]
Terminal 4 gain [C40, C41(Pr. 933)]
[Pr. 22, 812 to 817]
[Pr. 810 = 0]
Torque limit
input method
selection
Constant power
range torque
characteristic
selection
[Pr. 803]
[Pr. 810 = 1]
Torque
control
Motor
Torque limit
Encoder
[Pr. 840 = 9999]
B
RT
RT
[Pr. 826]
[Pr. 836]
[Pr. 74]
[Pr. 74]
[Pr. 836 = 9999]
[Pr. 836 = 9999]
[Pr. 826 = 9999]
[Pr. 826 = 9999]
RT
RT
[Pr. 826]
[Pr. 836]
[Pr. 74]
[Pr. 74]
[Pr. 836 = 9999]
[Pr. 836 = 9999]
[Pr. 826 = 9999]
[Pr. 826 = 9999]
Vector control
[Pr. 800 = 0]
Real sensorless
vector control
[Pr. 800 = 10]
PM sensorless
vector control
[Pr. 800 = 9, 13, 14]
.
.

Table of Contents

Related product manuals