EasyManua.ls Logo

Xerox VersaLink B7030 - Page 1130

Xerox VersaLink B7030
1341 pages
To Next Page IconTo Next Page
To Next Page IconTo Next Page
To Previous Page IconTo Previous Page
To Previous Page IconTo Previous Page
Loading...
April 2017
7-54
Xerox® VersaLink® B7025/B7030/B7035 Multifunction Printer
Wiring Diagrams
Launch Issue
Wiring Data
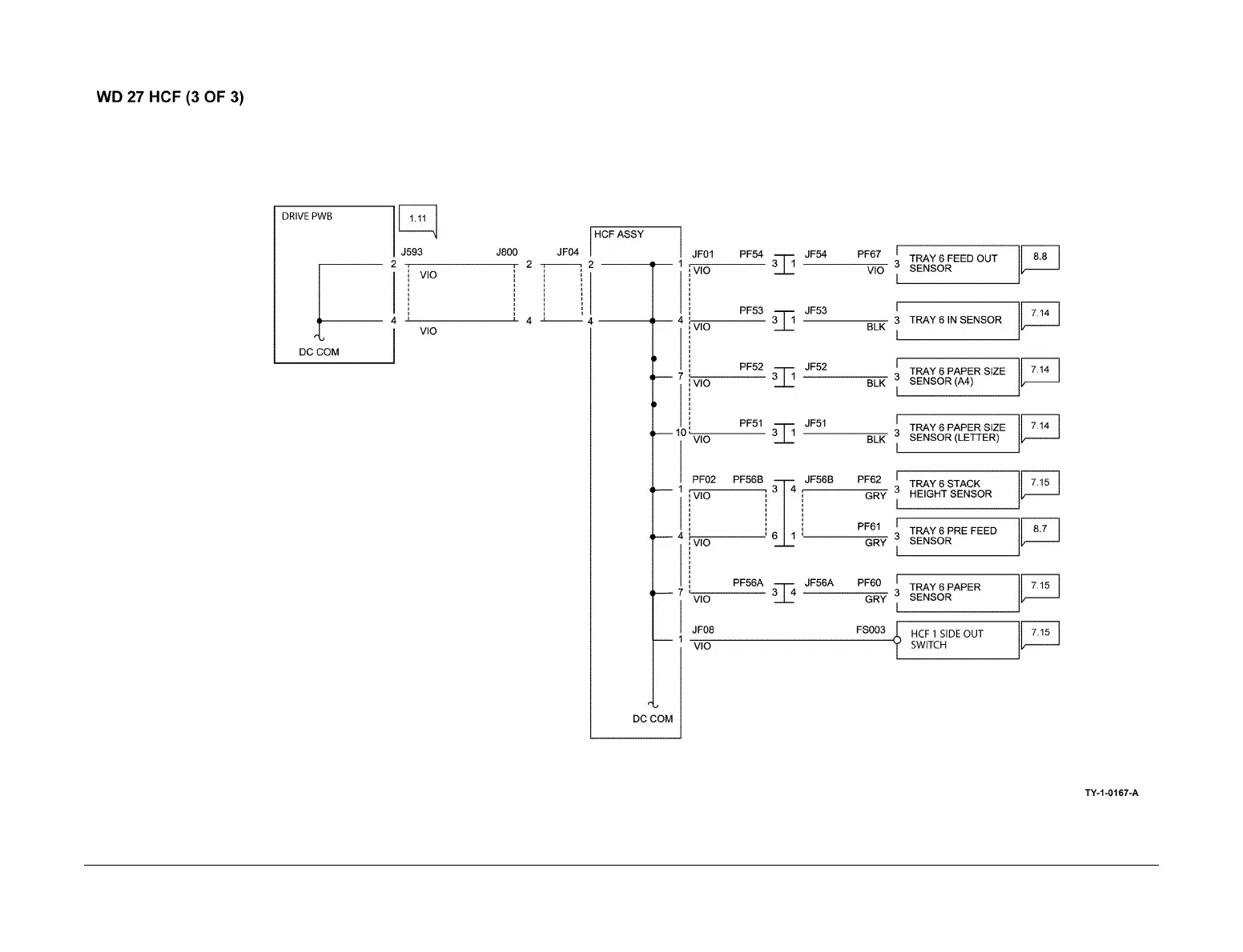
Wiring Diagram 27 HCF DC COM
Figure 27 Wiring diagram 27

Table of Contents

Other manuals for Xerox VersaLink B7030

Related product manuals