EasyManua.ls Logo

IMC CANSAS - Configuring the Outputs; CANSAS-DAC8 Block Diagram

IMC CANSAS
582 pages
Print Icon
To Next Page IconTo Next Page
To Next Page IconTo Next Page
To Previous Page IconTo Previous Page
To Previous Page IconTo Previous Page
Loading...
DAC8 analog outputs 289
imc CANSAS Users Manual - Doc. Version 1.9 - 05.12.2014© 2014 imc Meßsysteme GmbH
In this example, a 16-bit measurement quantity, scaled so that its minimum is -6000 and its maximum is
+6000, is read into the CAN-bus.
The initial value (power-up value) is set to 0 V. After the unit is activated, the output DAC05 is held to the
value 0 V, until a CAN-bus message arrives. Only once a message arrives, the converted value replaces
the initial value.
The scaling is set in such a way that 10 V are applied to DAC05 when the RPM value captured is 6000 U/
min.
6.6.6 Configuring the outputs
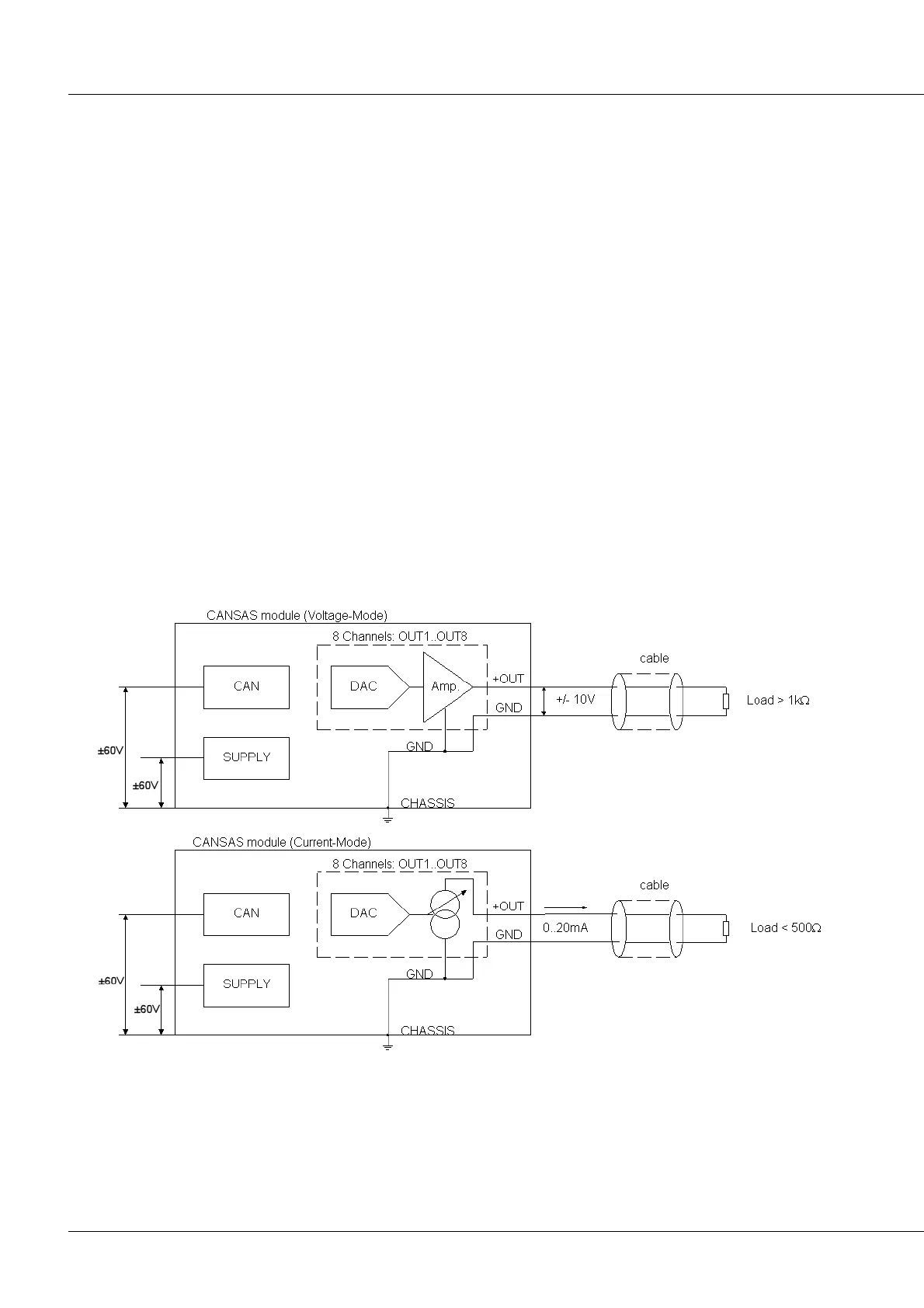
The imc CANSAS-DAC8 module's outputs can be configured either as voltage or current sources. The
corresponding settings are made in the dialog accessed via the Module Tree entry Analog outputs.
The default is voltage output.
If the setting is switched to current source, note the following: the module remains configured as for
outputting voltage in the range -10V to +10 V. However, values which would otherwise be outputted as
+10 V are instead outputted as a current of 20 mA, and values which would otherwise be transformed as
0 V become 0 mA. The current range is always positive, since the current source can only drive a current
in one direction. Therefore, values otherwise mapped to negative voltages are ignored in current output
mode.
6.6.7 CANSAS-DAC8 block diagram

Table of Contents

Other manuals for IMC CANSAS