EasyManua.ls Logo

IMC CANSAS - Current Measurement

IMC CANSAS
582 pages
Print Icon
To Next Page IconTo Next Page
To Next Page IconTo Next Page
To Previous Page IconTo Previous Page
To Previous Page IconTo Previous Page
Loading...
280 Properties of the Modules
imc CANSAS Users Manual - Doc. Version 1.9 - 05.12.2014© 2014 imc Meßsysteme GmbH
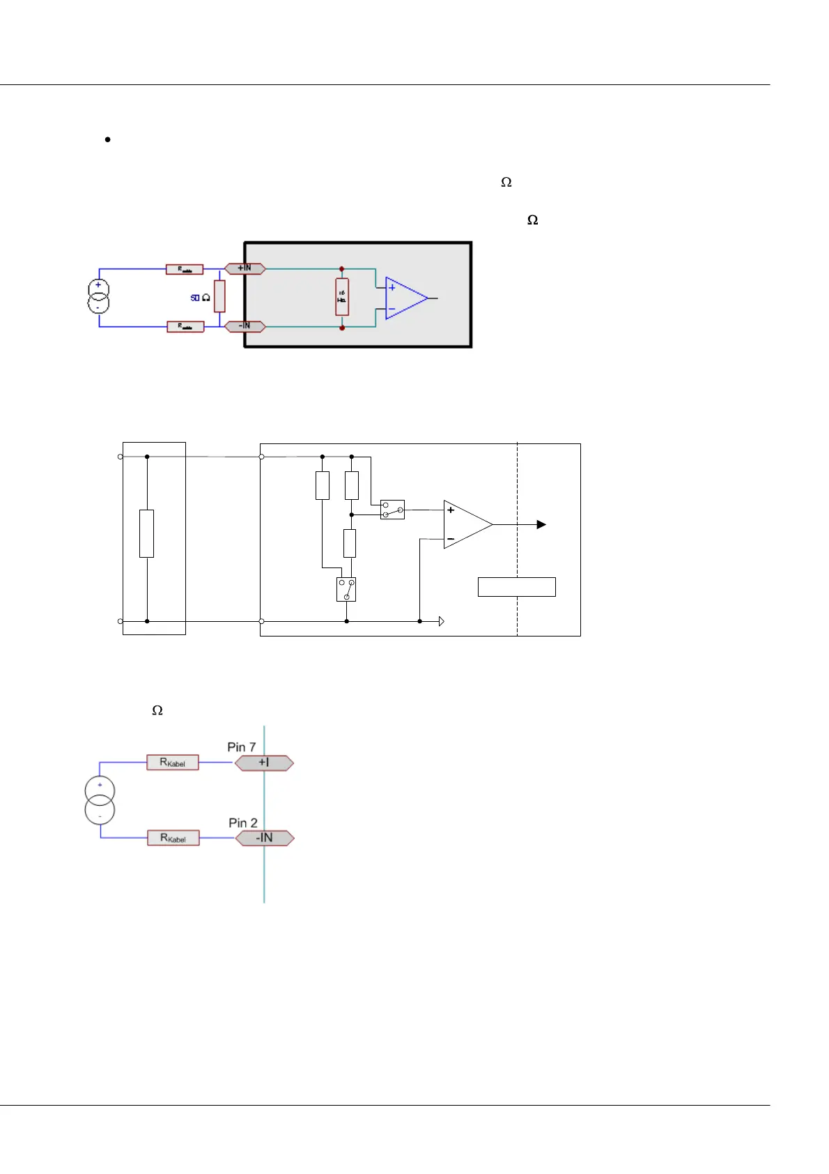
6.5.2 Current measurement
Current: ±20 mA, ±10 mA in 2 ranges
A special plug (order-code: ACC/DSUB-I4) with a built-in shunt (50 ) is needed for current
measurement. Configuration is performed in voltage mode, whereby an appropriate scaling factor is
entered in order for amperage values to be displayed (20 mA/V = 1/50 ).
Input stage block schematic
1MΩ
20kΩ
+IN
-IN
Isolation
current
measurement
rom-
voltage
measuremen
t
+IN
-IN
50 Ω
ACC/DSUB_I4
isolated voltage channel -
10 kHz
10MΩ
At the imc CANSAS-SL-CI8-L(-SUPPLY) with LEMO connectors, current measurement is connected via an
internal 50 shunt. Toward this end, the current signal is connected at the pins +I and -IN.

Table of Contents

Other manuals for IMC CANSAS