EasyManua.ls Logo

IMC CANSAS - Full Bridge

IMC CANSAS
582 pages
Print Icon
To Next Page IconTo Next Page
To Next Page IconTo Next Page
To Previous Page IconTo Previous Page
To Previous Page IconTo Previous Page
Loading...
444 Properties of the Modules
imc CANSAS Users Manual - Doc. Version 1.9 - 05.12.2014© 2014 imc Meßsysteme GmbH
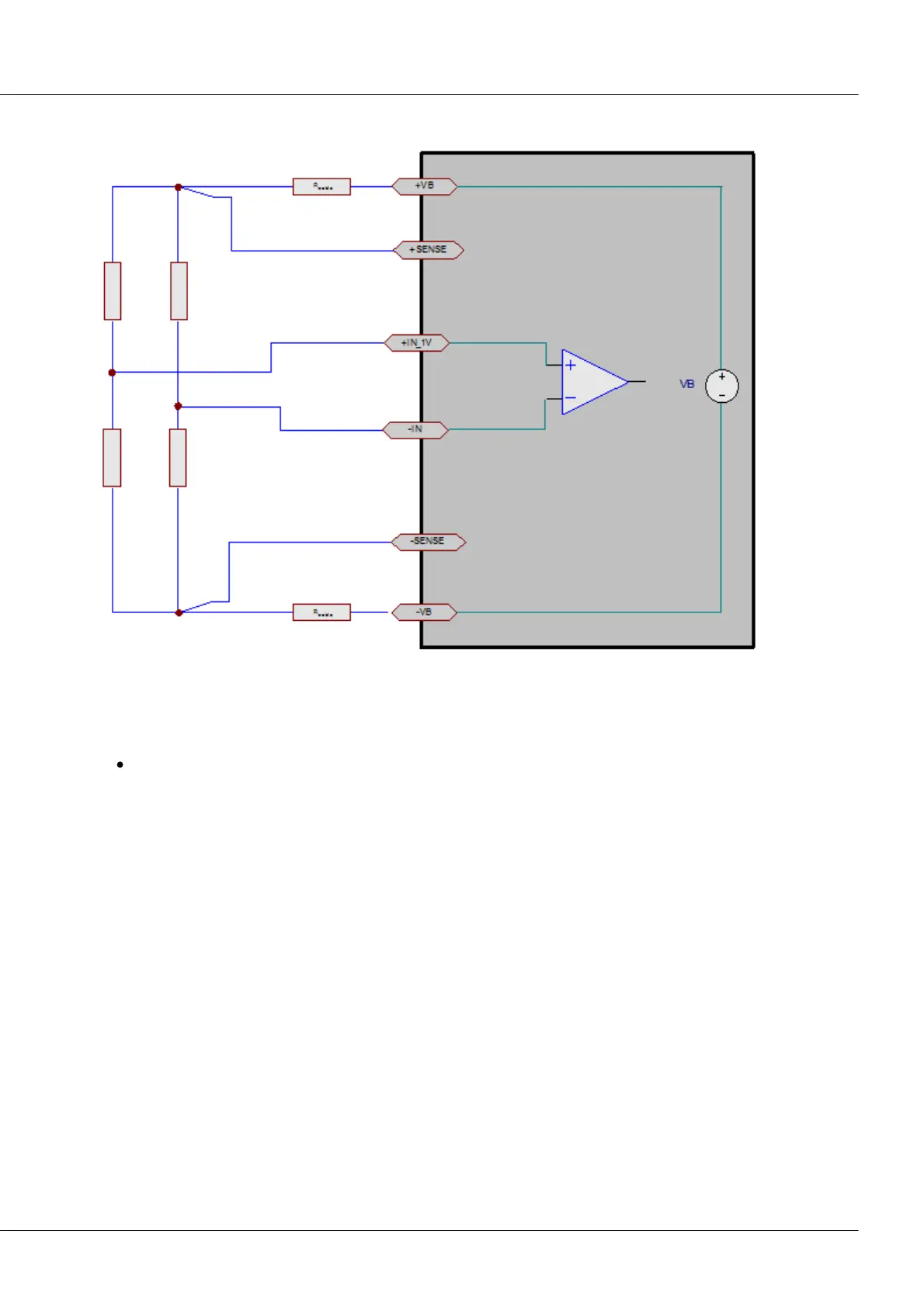
6.23.2 Full bridge
µ-CANSAS-B1: Full bridge
The full bridge consists of four resistor arms. All 4 of the bridge’s resistors are outside of the imc CANSAS-
module.
Input ranges:
Voltage: ±200 mV/V ... ±0,5 mV/V
connected at +IN_1V and -IN

Table of Contents

Other manuals for IMC CANSAS