EasyManua.ls Logo

IMC CANSAS - Pt100; RTD Measurement

IMC CANSAS
582 pages
Print Icon
To Next Page IconTo Next Page
To Next Page IconTo Next Page
To Previous Page IconTo Previous Page
To Previous Page IconTo Previous Page
Loading...
UNI8: universal 421
imc CANSAS Users Manual - Doc. Version 1.9 - 05.12.2014© 2014 imc Meßsysteme GmbH
6.20.4.2 Pt100/ RTD measurement
DSUB-plug: ACC/DSUB(M)-UNI2
Pt100. RTD, platinum resistor thermometer. Along with thermocouples, Pt100 can be connected directly
in 4-wire-configuration. The 4-wire measurement returns more precisely results since it does not require
the resistances of both leads which carry supply current to have the same magnitude and drift. Each
sensor is fed by its own current source with approx. 1.2 mA.
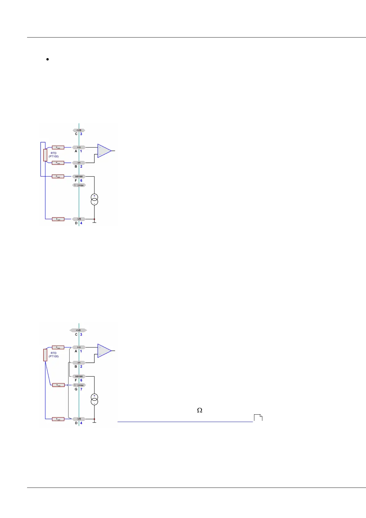
6.20.4.2.1 Pt100 in 4-wire configuration
The Pt100 is supplied by 2 lines. The other two serve as Sense-leads. By
using the Sense-leads, the voltage at the resistor itself can be determined
precisely. The voltage drop along the conducting cable thus does not cause
any measurement error.
The measurement inputs +/-IN carry practically no current.
The 4-wire configuration is the most precise way to measure with a Pt100.
The module performs a genuine differential measurement.
6.20.4.2.2 Pt100 in 2-wire configuration
Use the software to set a Pt100 4-wire configuration, because the connection is made in the same way as
for the 4-wire case. The difference is that +IN(A)/sense(F) and –IN(B)/-VB(D) must be jumpered inside the
connector.
Note that the total cable resistance contributes to measurement error, and that this method is the most
imprecise and not to be recommended.
6.20.4.2.3 Pt100 in 3-wire configuration
The Pt100 is supplied by 2 lines. The other one serve as sense-lead. By using
the Sense-lead, the voltage at the resistor itself can be determined
precisely. The voltage drop along the conducting cable thus does not cause
any measurement error.
It is important, that the connection between +IN(A) to Sense
and -IN(B) to -VB(D) is made directly at the module.
3-wire configuration is not always as precise as 4-wire configuration. When
in doubt, 4-wire configuration is preferable.
The cable resistance that has to be compensated (simple line) is not
supposed to be more than 7 (ca. 140 m cable length with 0.35 mm
2
,
consider overview of cable resistance as function )
519

Table of Contents

Other manuals for IMC CANSAS