EasyManua.ls Logo

IMC CANSAS - Pin Configuration and Power Supply; CAN-Bus Connectors; Standard Module with DSUB-9 CAN Bus Connector

IMC CANSAS
582 pages
Print Icon
To Next Page IconTo Next Page
To Next Page IconTo Next Page
To Previous Page IconTo Previous Page
To Previous Page IconTo Previous Page
Loading...
CAN-Bus connectors 523
imc CANSAS Users Manual - Doc. Version 1.9 - 05.12.2014© 2014 imc Meßsysteme GmbH
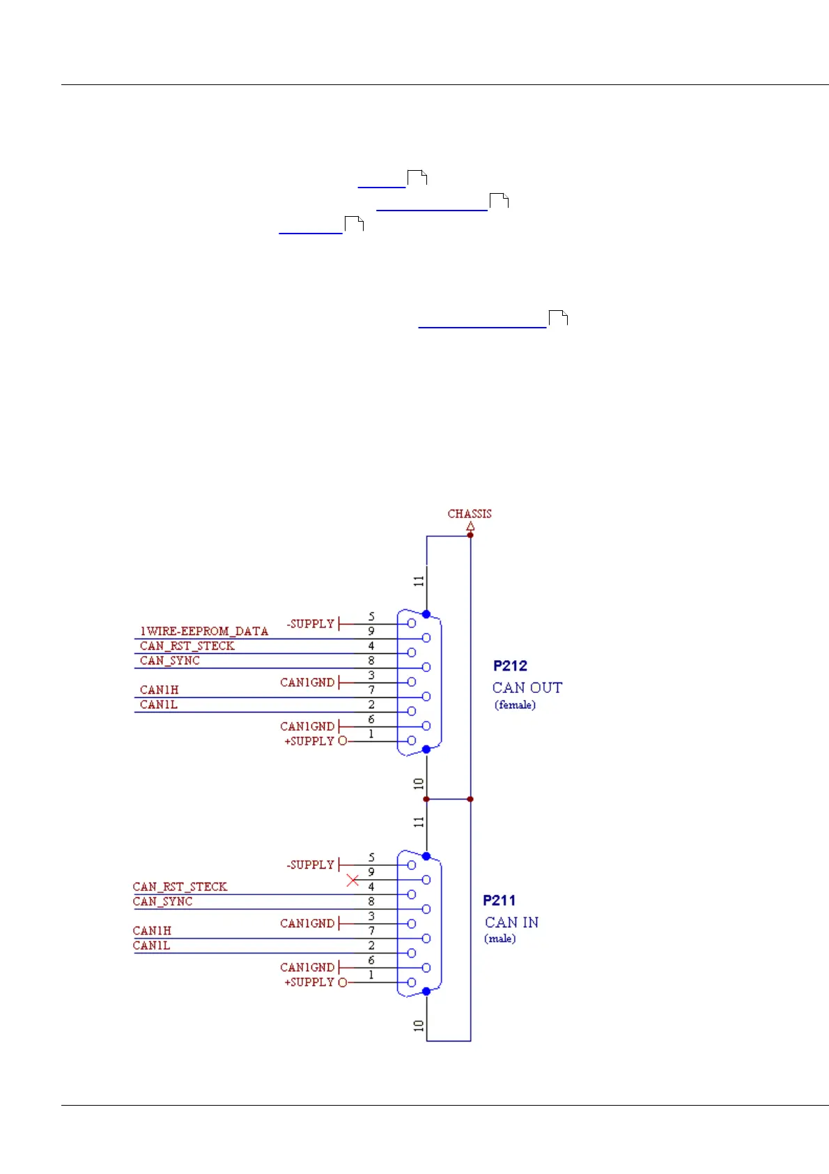
Pin configuration and power supply
8.1 CAN-Bus connectors
By default, the connector to CAN is with DSUB-9 .
imc CANSAS-SL modules are equipped with LEMO connectors .
imc µ-CANSAS modules use Autosport connectors.
8.1.1 Standard module with DSUB-9 CAN Bus connector
Below is shown the pin configuration of the CAN-bus plug/socket set (CAN IN and CAN OUT).
A general description of the CAN-bus can be found in CAN-Bus description .
Notes on the hardware versions
Hardware Version 1: Valid for all devices shipped prior to mid-2003. (C12,ISO8, INK4, Bridge2, DI16,
DO16, DAC8). In these modules, there is no lWIRE-EEPROM_DATA connection; CAN IN is thus identical to
CAN OUT in terms of the pin configuration.
Hardware Version 2: Valid for all UNI8, P8, DO16R, C8 and all -L- modules. For all other modules, please
check in the software under General/ Version/ Hardware whether this is the version. Generally it only is
for modules shipped since late-2003.
523
526
527
37

Table of Contents

Other manuals for IMC CANSAS