EasyManua.ls Logo

IMC CANSAS - Troubleshooting Tips for Disturbances of the CAN-Bus

IMC CANSAS
582 pages
Print Icon
To Next Page IconTo Next Page
To Next Page IconTo Next Page
To Previous Page IconTo Previous Page
To Previous Page IconTo Previous Page
Loading...
CAN-Bus description 43
imc CANSAS Users Manual - Doc. Version 1.9 - 05.12.2014© 2014 imc Meßsysteme GmbH
2.6.10 Troubleshooting tips for disturbances of the CAN-Bus
Disturbances of CAN-Bus transmission can be due to a variety of causes, from long signal lines to lines
which are short-circuited. This section will introduce some simple procedures for checking the CAN-Bus,
which may be able to detect any errors in the CAN-Bus wiring.
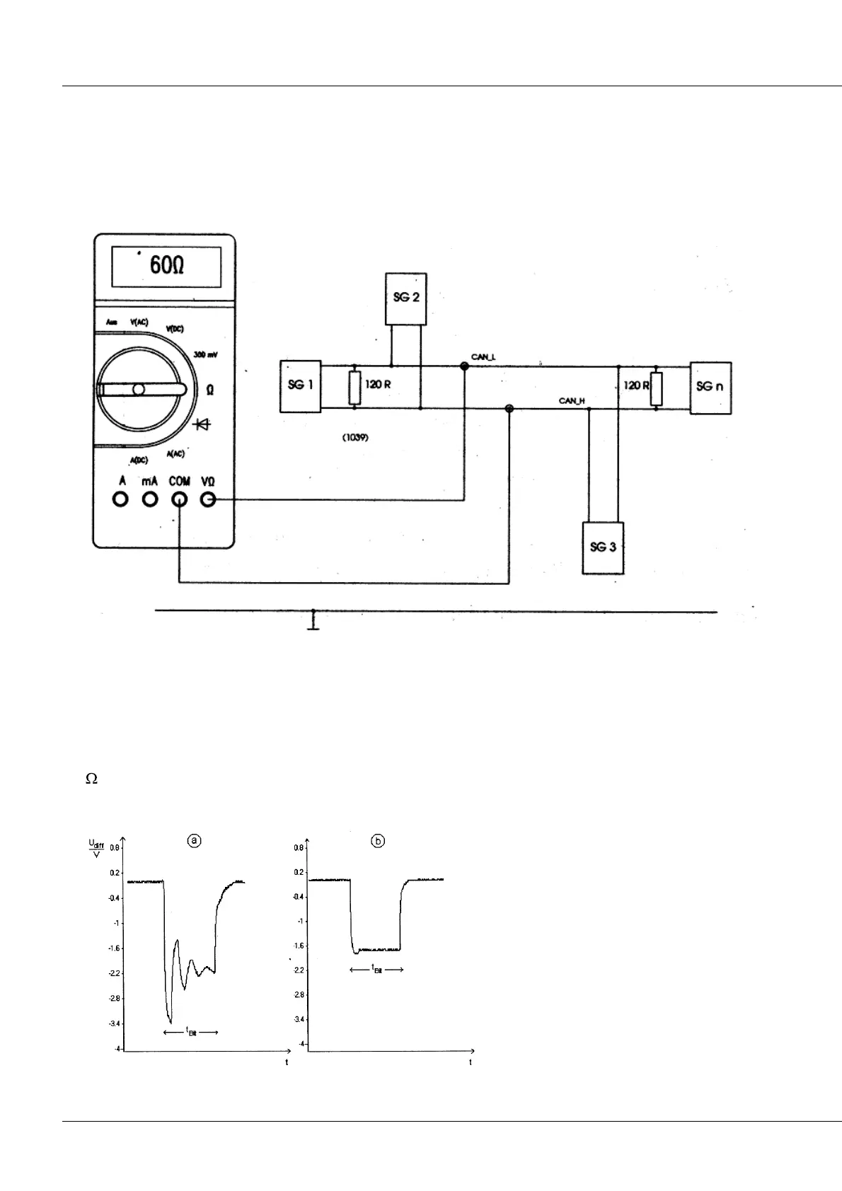
Simple inspection of the line termination
As an example, in order to be able to perform measurements using the CAN-Bus on board a vehicle, you
must obtain access to the potential divider.
To test the CAN-Bus resistors between CAN-Low and CAN-High, the resistance measurement should
generally be carried out so that the object under test must not be under current during the
measurement.
The two termination resistors are connected in parallel and together form an equivalent resistance of 60
.
Bus Reflections

Table of Contents

Other manuals for IMC CANSAS