EasyManua.ls Logo

IMC CANSAS - Voltage Source at a Different Fixed Potential; Voltage Measurement: with Zero-Adjusting (Tare)

IMC CANSAS
582 pages
Print Icon
To Next Page IconTo Next Page
To Next Page IconTo Next Page
To Previous Page IconTo Previous Page
To Previous Page IconTo Previous Page
Loading...
DCB8: bridge, strain gauges 299
imc CANSAS Users Manual - Doc. Version 1.9 - 05.12.2014© 2014 imc Meßsysteme GmbH
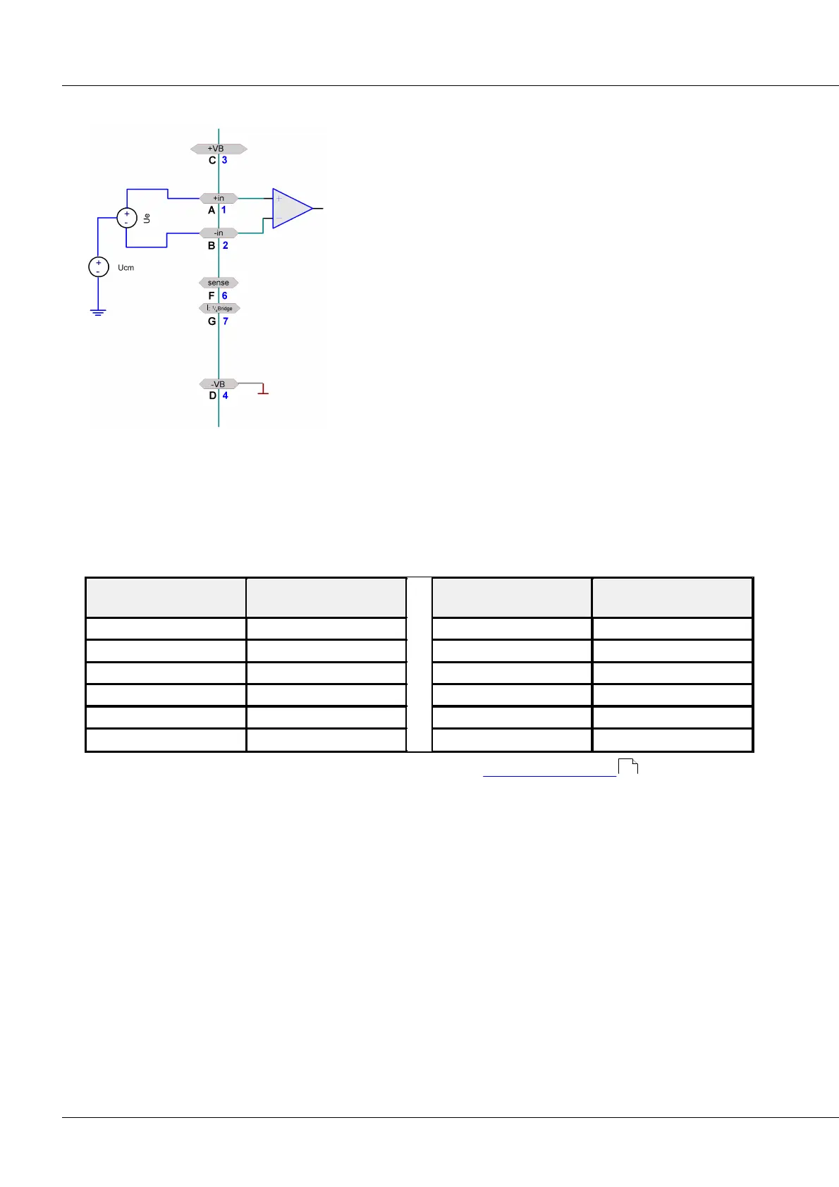
6.7.2.3 Voltage source at a different fixed potential
The common mode voltage (U
cm
) has to be less than ±10 V. It is
reduced by ½ input voltage.
Example: Suppose a voltage source is to be measured which is at a
potential of 120 V to ground. The device itself is grounded. Since
the common mode voltage is greater than permitted,
measurement is not possible. Also, the input voltage difference to
the device ground would be above the upper limit allowed. For
such a task, the DCB8 cannot be used!
6.7.2.4 Voltage measurement: With zero-adjusting (tare)
In voltage measurement, it is possible for the sensor to have an initial offset from zero. For such cases,
use the operating software to select the measurement mode "Voltage enable offset calibration" for the
desired channel. The measurement range will be reduced by the offset correction If the initial offset is
too large for compensation by the device, a larger input range must be set.
Measurement range [V]
Compensable initial
offset[V]
Measurement range [V]
Compensable initial offset
[V]
±10
1.6
±0.2
0.3
±5
6.5
±0.1
0.015
±2
0.9
±0.05
0.06
±1
1.9
±0.02
0.008
±0.5
0.08
±0.01
0.018
±0.005
0.023
For notes on triggering the adjustment, refer to the section on bridge measurement .
415

Table of Contents

Other manuals for IMC CANSAS