EasyManua.ls Logo

Xerox DocuColor 1632 - Page 992

Xerox DocuColor 1632
1064 pages
Print Icon
To Next Page IconTo Next Page
To Next Page IconTo Next Page
To Previous Page IconTo Previous Page
To Previous Page IconTo Previous Page
Loading...
6/02
7-130
DC1632/2240
Chain 07
Prelaunch Training/Review
Wiring Data
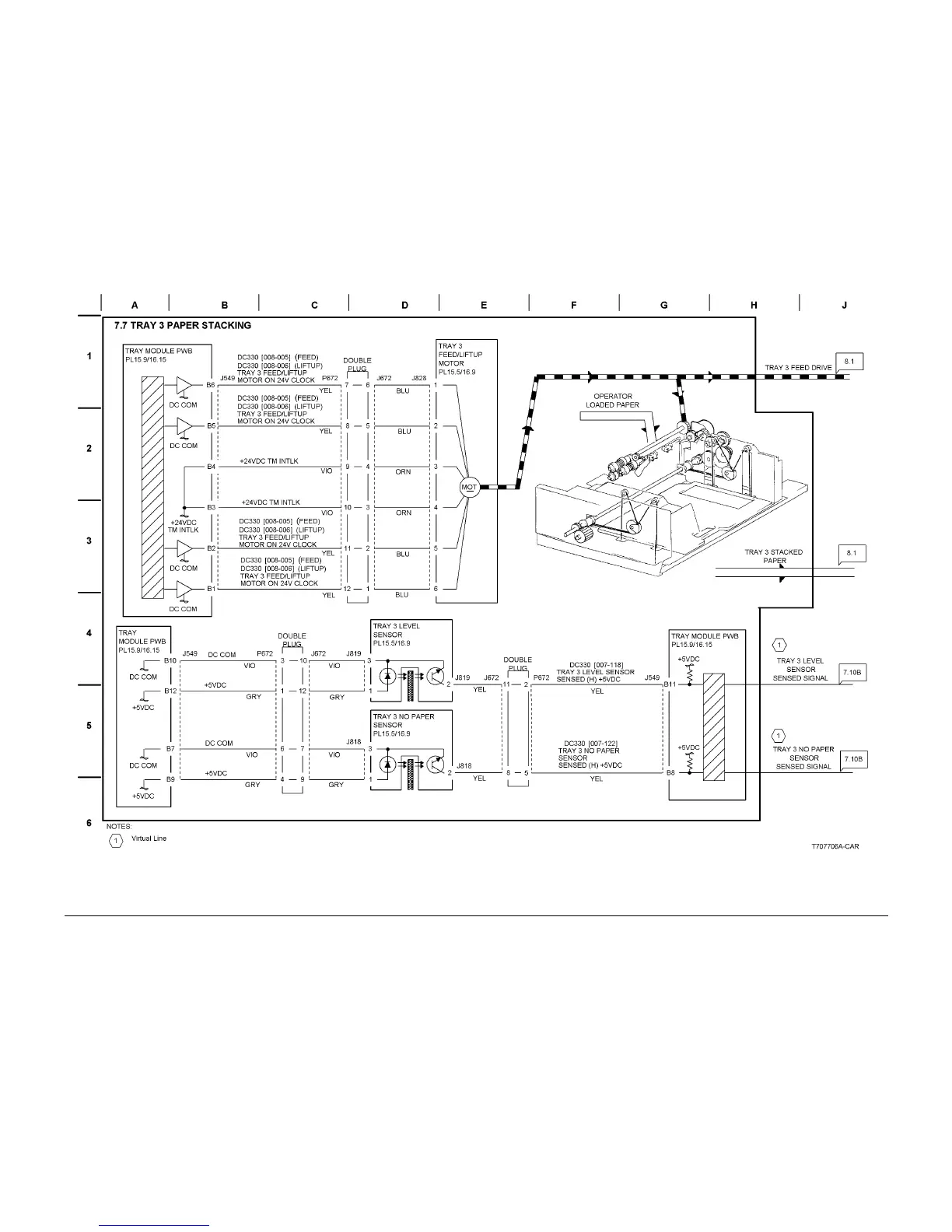
Figure 7 Tray 3 Paper Stacking

Table of Contents

Other manuals for Xerox DocuColor 1632

Related product manuals