EasyManua.ls Logo

Schweitzer Engineering Laboratories SEL-751 - Figure 4.38 Positive-Sequence Voltage-Polarized Directional Element for Phase Overcurrent Elements

Schweitzer Engineering Laboratories SEL-751
934 pages
Print Icon
To Next Page IconTo Next Page
To Next Page IconTo Next Page
To Previous Page IconTo Previous Page
To Previous Page IconTo Previous Page
Loading...
4.51
Date Code 20170927 Instruction Manual SEL-751 Relay
Protection and Logic Functions
Group Settings (SET Command)
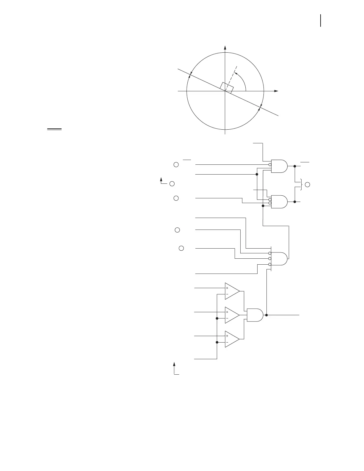
q From Figure 4.54; w from Figure 4.37; e from Figure 4.73; r to Figure 4.39.
Figure 4.38 Positive-Sequence Voltage-Polarized Directional Element for
Phase Overcurrent Elements
LOP
ZLOAD
Load Condition
Loss-of-Potential
VNOM = OFF
1
3
50PDIRP • 3
50PDIR
|I
A
—I
B
|
|I
B
—I
C
|
|I
C
—I
A
|
VPOLV
RDIRQ
FDIRQ
Settin
g
[fixed at (
p
hase channel nominal ratin
g
) • (0.1) when enable settin
g
ELOAD = Y]
FDIRP
(Forward)
RDIRP
(Reverse)
[90° + Z1ANG] > Z
1
> [—90° + Z1ANG]
Z1ANG
X
1
(90°)
(270°)
(0°)
(180°)
R
1
Forward
Reverse
Pos.-Seq. Polarizing Voltage Present
Neg.-Seq. Dir. Element Has Priority
Neg.-Seq. Dir. Element Has Priority
Relay
Word
Bits
Relay
Word
Bits
All internal phase-to-phase distance-type elements forward
All internal phase-to-phase distance-type elements reverse
2
1
2
4
NOTE: The positive-sequence
voltage-polarized directional
element uses positive-sequence
memory voltage as the polarizing
voltage.

Table of Contents

Related product manuals