EasyManua.ls Logo

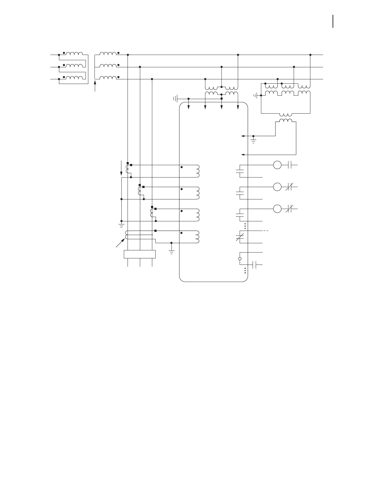
Schweitzer Engineering Laboratories SEL-751 - Figure 2.32 SEL-751 Provides Overcurrent Protection for an Ungrounded System (Open-Delta Connected Pts, Broken-Delta 3 V0 Connection)

Schweitzer Engineering Laboratories SEL-751
934 pages
Print Icon
To Next Page IconTo Next Page
To Next Page IconTo Next Page
To Previous Page IconTo Previous Page
To Previous Page IconTo Previous Page
Loading...
2.41
Date Code 20170927 Instruction Manual SEL-751 Relay
Installation
AC/DC Control Connection Diagrams
A core-balance current transformer is often referred to as a zero-sequence, ground fault, or window current transformer.
Directional control for an ungrounded system is selected with setting ORDER := U (see Table 4.19—Table 4.21).
Nondirectional sensitive earth fault (SEF) protection is also available.
The voltage inputs can accept open-delta PT (three-wire) connection (as shown) when setting DELTA_Y := DELTA.
VB must be externally tied to N, as shown.
The zero-sequence voltage 3V
0
(from the “broken-delta” connection) is shown coming from a step-down
instrumentation transformer, and connecting to voltage input VS-NS. To use this connection, make setting VSCONN :=
3V
0
. Make group setting PTRS as shown in Section 4: Protection and Logic Functions.
The step-down transformer is required when the maximum expected residual voltage exceeds the relay voltage channel
rating.
The polarity of voltage input VS-NS connection should be verified prior to placing the relay into service.
Figure 2.32 SEL-751 Provides Overcurrent Protection for an Ungrounded System (Open-Delta Connected PTs,
Broken-Delta 3V0 Connection)
TC
Trip
Coil
52A
(+)
(—)
Trip
Circuit
IA
C
B
A
SEL-751 RELAY
VS
NS
OUT103
Forward Tripping Direction
Core-Balance CT
CC
Close
Coil
52B
(+)
(—)
Close
Circuit
IB OUT102
86
Lock
Out
86B
(+)
(—)
Breaker
Failure
Trip
Circuit
IC OUTxxx
OUT101
FEEDER
ABc
52
(+)
Step-Down
Transformer
(Some
Applications)
ALARM
(+)
(—)
Breaker Status
INxxx
IN
Ungrounded
Broken-Delta
TRANSFORMER BANK
Open-Delta
52A
+
+
to Annunciator, RTU,
or SEL Communications Processor
VCNVBVA

Table of Contents

Related product manuals