EasyManua.ls Logo

Schweitzer Engineering Laboratories SEL-751 - Figure 4.78 81 RF Fast Rate-Of-Change-Of-Frequency Logic

Schweitzer Engineering Laboratories SEL-751
934 pages
Print Icon
To Next Page IconTo Next Page
To Next Page IconTo Next Page
To Previous Page IconTo Previous Page
To Previous Page IconTo Previous Page
Loading...
4.128
SEL-751 Relay Instruction Manual Date Code 20170927
Protection and Logic Functions
Group Settings (SET Command)
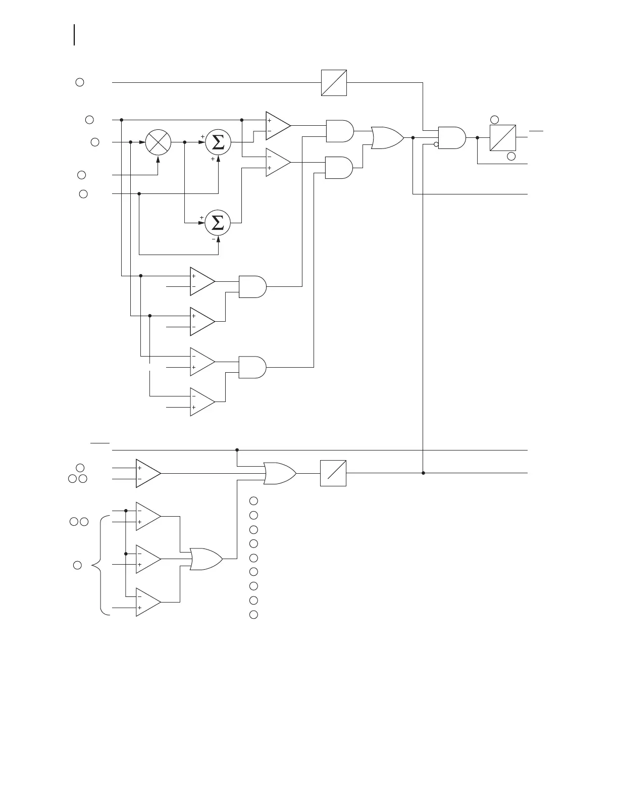
Figure 4.78 81RF Fast Rate-of-Change-of-Frequency Logic
Trip/Close Logic
The SEL-751 tripping logic is designed to trip the circuit breakers. The relay
logic lets you define the conditions that cause a trip, the conditions that
unlatch the trip, and the performance of the relay output contact. Figure 4.79
illustrates the tripping logic.
0.2 Hz/s
0.1 Hz
—0.2 Hz/s
—0.1 Hz
81RFPU
81RFDO
0.1 sec
0 sec
DF3C
DF
81RFSLP
81RFRP
FREQTRK
81RFT
Relay
Word
Bits
0
81RFBLDO
|VPPmin|
81RFIBLK
|IC|
|IA|
81RFVBLK
|IB|
81RFBL
Relay Word bit FREQTRK = 1, means relay is tracking frequency.
81RFRP, 81RFDFP, 81RFPU, 81RFDO, 81RFVBLK, 81RFIBLK are settings.
DF3C is df/dt calculated over 3-cycle window (Hz/s).
DF is the difference (FREQ–FNOM) in Hz.
81RFSLP = - (81RFRP/81RFDFP).
|IA|, |IB|, |IC| are A-, B-, and C-phase current magnitudes.
VP** = |VPP| min
When 81RFIBLK := OFF, the input is held at a high value such that 81RFBLK is logical 0.
When 81RFVBLK := OFF, the input is held to zero such that 81RFBLK is logical 0.
1
2
3
4
5
6
7
8
SELOGIC
Setting
81RFP
81RFI
81RFBL
81RFBLK
6
2
8
2
7
2
5
4
3
1
2
2
9
9

Table of Contents

Related product manuals