EasyManua.ls Logo

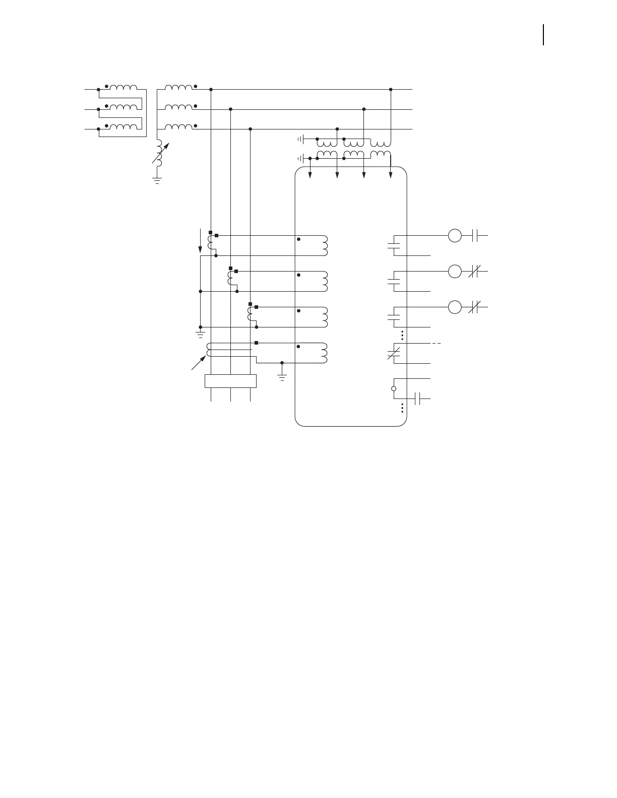
Schweitzer Engineering Laboratories SEL-751 - Figure 2.30 SEL-751 Provides Overcurrent Protection for a Petersen Coil-Grounded System (Wye-Connected Pts)

Schweitzer Engineering Laboratories SEL-751
934 pages
Print Icon
To Next Page IconTo Next Page
To Next Page IconTo Next Page
To Previous Page IconTo Previous Page
To Previous Page IconTo Previous Page
Loading...
2.39
Date Code 20170927 Instruction Manual SEL-751 Relay
Installation
AC/DC Control Connection Diagrams
A core-balance current transformer is often referred to as a zero-sequence, ground fault, or window current transformer.
Directional control for a Petersen coil-grounded system is selected with setting ORDER containing P (see Table 4.19–
Table 4.21). Nondirectional sensitive earth fault (SEF) protection is also available.
Figure 2.30 SEL-751 Provides Overcurrent Protection for a Petersen Coil-Grounded System
(Wye-Connected PTs)
TC
Trip
Coil
52A
52A
(+)
(—)
Trip
Circuit
IA
C
B
A
SEL-751 RELAY
OUT103
Forward Tripping Direction
Core-Balance CT
CC
Close
Coil
52B
(+)
(—)
Close
Circuit
IB OUT102
86
Lock
Out
86B
(+)
(—)
Breaker
Failure
Trip
Circuit
IC OUTxxx
OUT101
FEEDER
ABc
52
(+)
ALARM
(+)
(—)
Breaker Status
INxxx
IN
Petersen
Coil
TRANSFORMER BANK
+
+
to Annunciator, RTU,
or SEL Communications Processor
VCNVBVA

Table of Contents

Related product manuals