EasyManua.ls Logo

Boeing 707 - Kit Groups P2 N3, P3 N3 or P3 N3 L - Two Class 3 Cables to Two Class 3 Cables

Boeing 707
1020 pages
Print Icon
To Next Page IconTo Next Page
To Next Page IconTo Next Page
To Previous Page IconTo Previous Page
To Previous Page IconTo Previous Page
Loading...
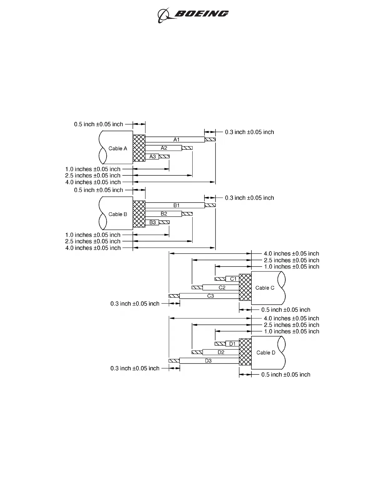
O. Kit Groups P2N3, P3N3 or P3N3L - Two Class 3 Cables to Two Class 3 Cables
For the conditions that are applicable for this procedure, refer to Paragraph 2.B..
2443689 S00061545748_V1
TWO CLASS 3 CABLES TO TWO CLASS 3 CABLES
Figure 21
ASSEMBLY OF BACS52P SERIES AND D-150-0300 SERIES SHIELDED SPLICE ASSEMBLIES
707, 727-787
STANDARD WIRING PRACTICES MANUAL
20-30-20
Page 111
Jun 15/2021D6-54446
ECCN 9E991 BOEING PROPRIETARY - See title page for details

Table of Contents

Related product manuals