EasyManua.ls Logo

Boeing 707 - Kit Group T2( ) 3 - One Class 3 Cable to One Class 3 Cable and One Class 2 Cable

Boeing 707
1020 pages
Print Icon
To Next Page IconTo Next Page
To Next Page IconTo Next Page
To Previous Page IconTo Previous Page
To Previous Page IconTo Previous Page
Loading...
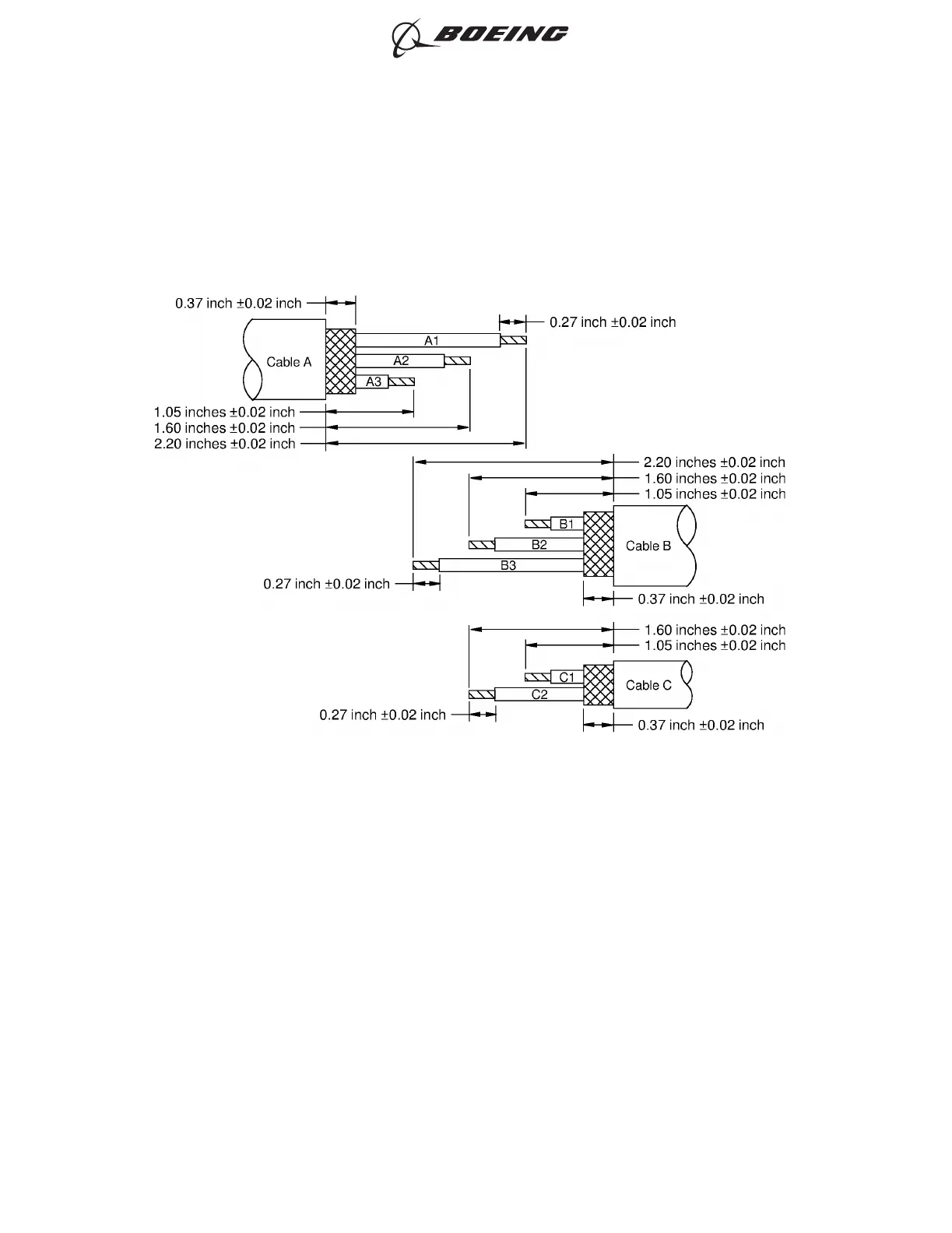
Q. Kit Group T2( ) 3 - One Class 3 Cable to One Class 3 Cable and One Class 2 Cable
For the conditions that are applicable for this procedure, refer to Paragraph 2.B..
Refer to Figure 23.
2449840 S00061545793_V1
ONE CLASS 3 CABLE TO ONE CLASS 3 CABLE AND ONE CLASS 2 CABLE
Figure 23
ASSEMBLY OF BACS52T SERIES SHIELDED SPLICE ASSEMBLIES
707, 727-787
STANDARD WIRING PRACTICES MANUAL
20-30-21
Page 63
Oct 15/2020D6-54446
ECCN 9E991 BOEING PROPRIETARY - See title page for details

Table of Contents

Related product manuals