EasyManua.ls Logo

Boeing 707 - Kit Group P2 N4 - One Class 4 Cable to One Class 4 Cable

Boeing 707
1020 pages
Print Icon
To Next Page IconTo Next Page
To Next Page IconTo Next Page
To Previous Page IconTo Previous Page
To Previous Page IconTo Previous Page
Loading...
The small end of the small solder sleeve is put on the cable first
The large end of the large solder sleeve is put on the cable first.
(5) If the splice kit does not have seal inserts and the solder sleeves are the same size:
(a) Put these splice assembly components on Cable A in this sequence:
The outer sleeve
A solder sleeve
The shield material.
Make sure that the small end of the solder sleeve is put on the cable first.
(b) Put the other solder sleeve on Cable B.
Make sure that the small end of the solder sleeve is put on the cable first.
(6) Put a seal sleeve on Wire A1.
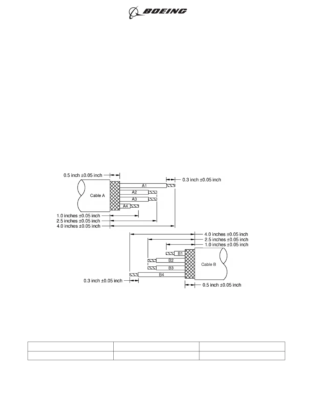
T. Kit Group P2N4 - One Class 4 Cable to One Class 4 Cable
For the conditions that are applicable for this procedure, refer to Paragraph 2.B..
Refer to Figure 26.
Table 28
CONNECTIONS
Wire Connection Wire Connected to
A1 Splice B1
2449590 S00061545753_V1
ONE CLASS 4 CABLE TO ONE CLASS 4 CABLE
Figure 26
ASSEMBLY OF BACS52P SERIES AND D-150-0300 SERIES SHIELDED SPLICE ASSEMBLIES
707, 727-787
STANDARD WIRING PRACTICES MANUAL
20-30-20
Page 122
Jun 15/2021D6-54446
ECCN 9E991 BOEING PROPRIETARY - See title page for details

Table of Contents

Related product manuals