EasyManua.ls Logo

Boeing 707 - Kit Group T2( ) 4 - One Class 4 Cable to Two Class 4 Cables

Boeing 707
1020 pages
Print Icon
To Next Page IconTo Next Page
To Next Page IconTo Next Page
To Previous Page IconTo Previous Page
To Previous Page IconTo Previous Page
Loading...
The shield material.
Make sure that the small end of the solder sleeve is put on the cable first.
(b) Put the other solder sleeve on Cable B
Make sure that the small end of the solder sleeve is put on the cables first.
(6) Put a seal sleeve on Wire A1.
(7) Put a seal sleeve on Wire A2.
(8) Put a seal sleeve on Wire A4.
(9) Put a seal sleeve on Wire B3.
V. Kit Group T2( ) 4 - One Class 4 Cable to Two Class 4 Cables
For the conditions that are applicable for this procedure, refer to Paragraph 2.B..
2449845 S00061545798_V1
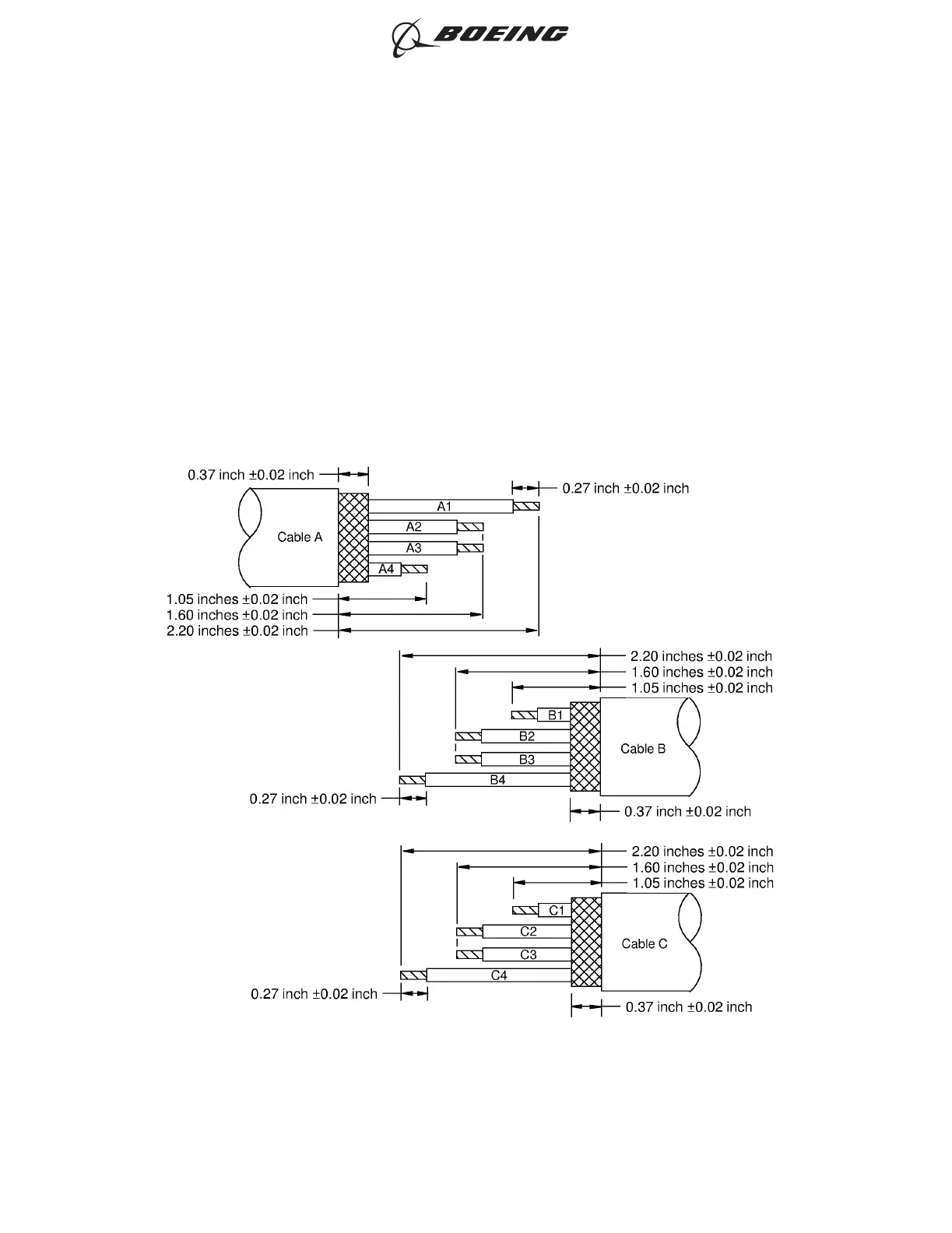
ONE CLASS 4 CABLE TO ONE CLASS 4 CABLE
Figure 28
ASSEMBLY OF BACS52T SERIES SHIELDED SPLICE ASSEMBLIES
707, 727-787
STANDARD WIRING PRACTICES MANUAL
20-30-21
Page 73
Jun 15/2021D6-54446
ECCN 9E991 BOEING PROPRIETARY - See title page for details

Table of Contents

Related product manuals