EasyManua.ls Logo

Boeing 707 - Kit Group P2 N3 - One Class 3 Cable to One Class 3 Cable and One Class 2 Cable

Boeing 707
1020 pages
Print Icon
To Next Page IconTo Next Page
To Next Page IconTo Next Page
To Previous Page IconTo Previous Page
To Previous Page IconTo Previous Page
Loading...
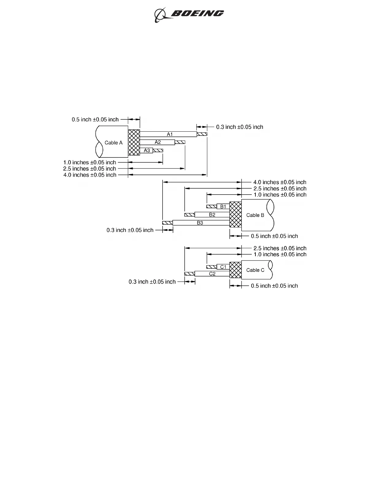
P. Kit Group P2N3 - One Class 3 Cable to One Class 3 Cable and One Class 2 Cable
For the conditions that are applicable for this procedure, refer to Paragraph 2.B..
Refer to Figure 22.
2449606 S00061545749_V1
ONE CLASS 3 CABLE TO ONE CLASS 3 CABLE AND ONE CLASS 2 CABLE
Figure 22
ASSEMBLY OF BACS52P SERIES AND D-150-0300 SERIES SHIELDED SPLICE ASSEMBLIES
707, 727-787
STANDARD WIRING PRACTICES MANUAL
20-30-20
Page 114
Jun 15/2021D6-54446
ECCN 9E991 BOEING PROPRIETARY - See title page for details

Table of Contents

Related product manuals