EasyManua.ls Logo

Boeing 707 - Kit Groups T2( ) 3, T3( ) 3 or T3( ) 3 L - One Class 3 Cable to One Class 3 Cable

Boeing 707
1020 pages
Print Icon
To Next Page IconTo Next Page
To Next Page IconTo Next Page
To Previous Page IconTo Previous Page
To Previous Page IconTo Previous Page
Loading...
R. Kit Groups T2( ) 3, T3( ) 3 or T3( ) 3L - One Class 3 Cable to One Class 3 Cable
For the conditions that are applicable for this procedure, refer to Paragraph 2.B..
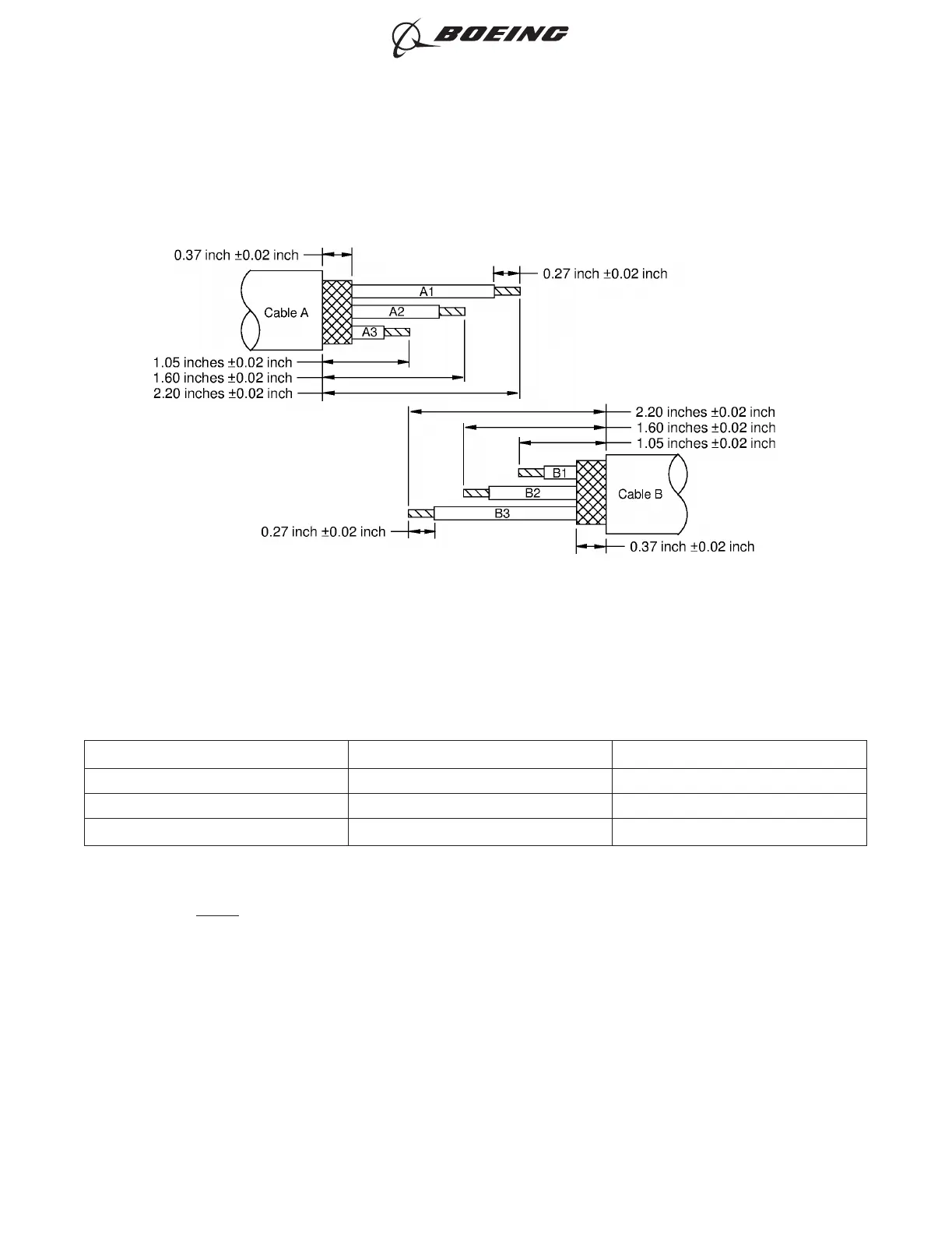
Refer to Figure 24.
Table 26
CONNECTIONS
Wire Connection Wire Connected to
A1 Splice B1
A2 Splice B2
A3 Splice B3
(1) Remove approximately 0.05 inch from each end of the shield material with a pair of scissors or an
equivalent tool.
NOTE: The shield material has fused ends that hold the ends of the strands of the shield
together.
(2) If the splice kit has seal inserts and different size solder sleeves:
(a) Put these components on Cable A in this sequence:
The outer sleeve
The small solder sleeve
The shield material
The large solder sleeve.
2449841 S00061545794_V1
ONE CLASS 3 CABLE TO ONE CLASS 3 CABLE
Figure 24
ASSEMBLY OF BACS52T SERIES SHIELDED SPLICE ASSEMBLIES
707, 727-787
STANDARD WIRING PRACTICES MANUAL
20-30-21
Page 66
Jun 15/2021D6-54446
ECCN 9E991 BOEING PROPRIETARY - See title page for details

Table of Contents

Related product manuals