EasyManua.ls Logo

Boeing 707 - Kit Groups P2 N3, P3 N3 or P3 N3 L - One Class 3 Cable to Two Class 3 Cables

Boeing 707
1020 pages
Print Icon
To Next Page IconTo Next Page
To Next Page IconTo Next Page
To Previous Page IconTo Previous Page
To Previous Page IconTo Previous Page
Loading...
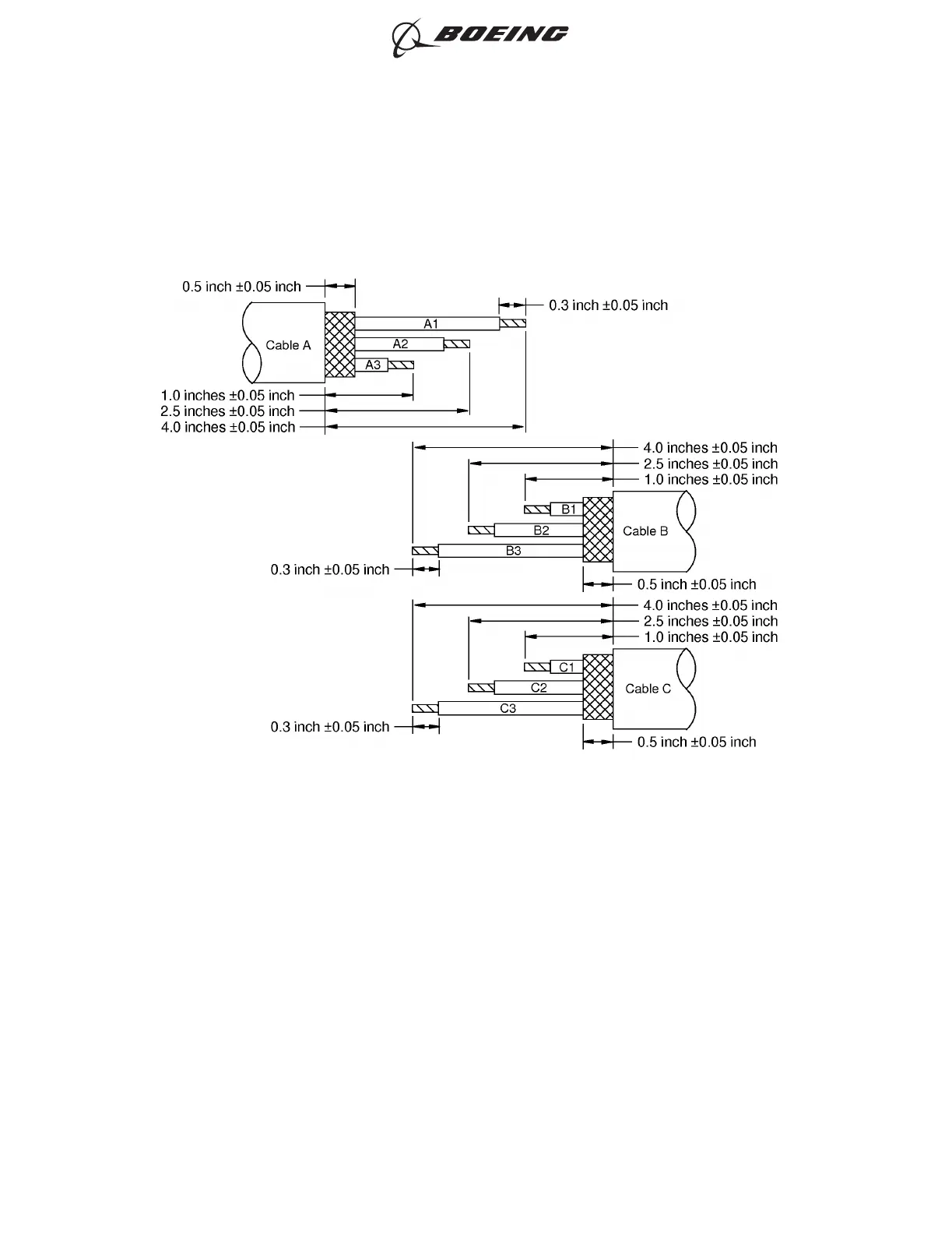
N. Kit Groups P2N3, P3N3 or P3N3L - One Class 3 Cable to Two Class 3 Cables
For the conditions that are applicable for this procedure, refer to Paragraph 2.B..
Refer to Figure 20.
2449586 S00061545747_V1
ONE CLASS 3 CABLE TO TWO CLASS 3 CABLES
Figure 20
ASSEMBLY OF BACS52P SERIES AND D-150-0300 SERIES SHIELDED SPLICE ASSEMBLIES
707, 727-787
STANDARD WIRING PRACTICES MANUAL
20-30-20
Page 108
Jun 15/2021D6-54446
ECCN 9E991 BOEING PROPRIETARY - See title page for details

Table of Contents

Related product manuals