EasyManua.ls Logo

MCE iControl - Page 237

Default Icon
806 pages
Print Icon
To Next Page IconTo Next Page
To Next Page IconTo Next Page
To Previous Page IconTo Previous Page
To Previous Page IconTo Previous Page
Loading...
Serial Hall Call
5-31
5
iControl DC
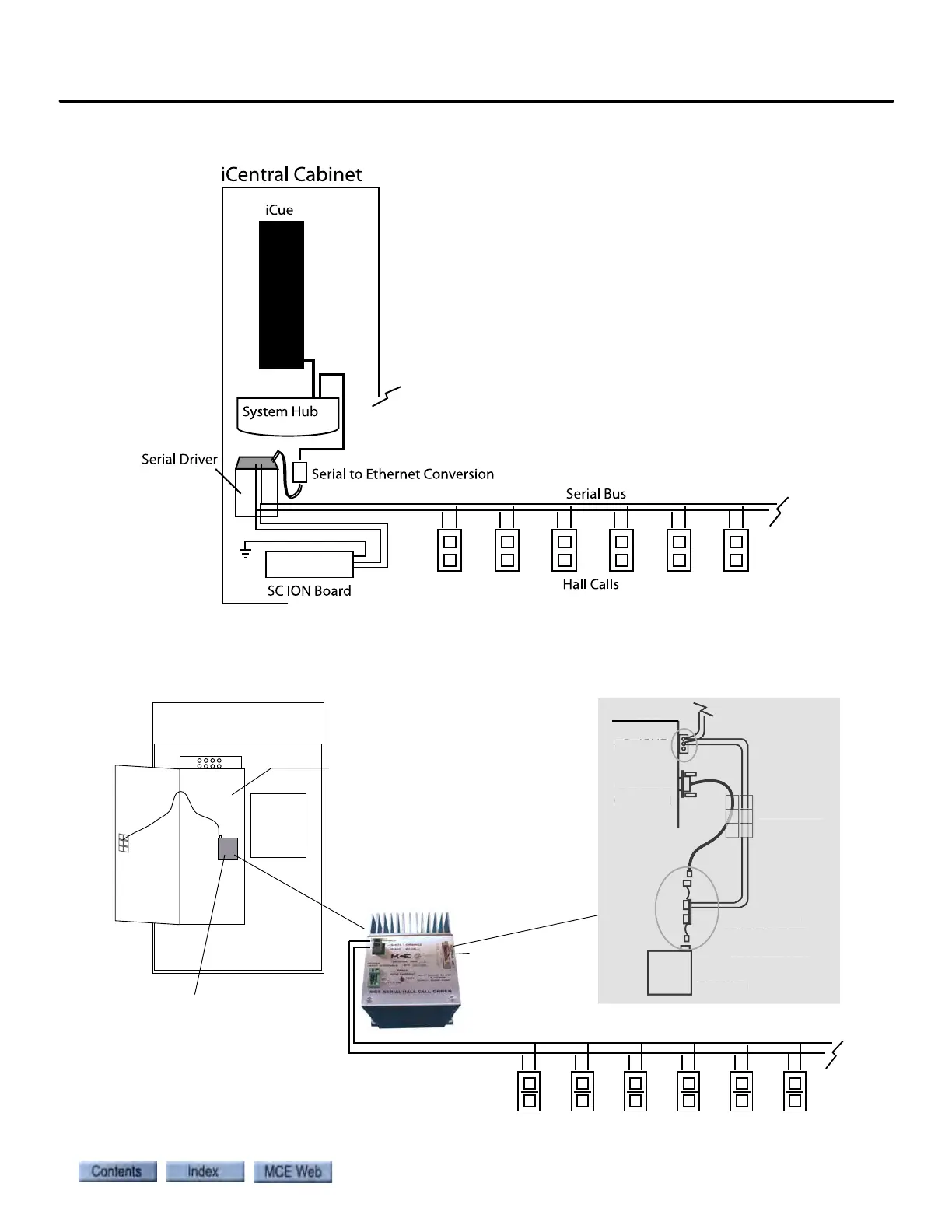
Figure 5.14 Typical iCentral Serial Hall Call Connections
Figure 5.15 Typical Serial Hall Call Connections for a Simplex or Swing Car
iController
3#(#$!3ERIAL(ALL#ALL$RIVER!SSEMBLY
USUALLYMOUNTEDINSIDETHEI0OWER
"OXON3IMPLEXAND3WING#ARS
2IBBONCABLETO
3#(#$!)3/BOARD
CONNECTSHERE
3ERIAL(ALL#ALL"US
3#(#$!
3#(#$!)3/
(ALL#ALL$RIVER
)SOLATION"OARD
7IRING6ENT
I"OX
V'.$
3ERIAL(ALL
#ALL0ORT
Open power box
(ALL#ALL&IXTURES3#(#.3ERIAL(ALL#ALL.ODE"OARDS
3
#(#$!
3#
(
#
$!)
3/
(
A
LL
#A
LL
$RIVE
R
)
SO
L
ATION"OAR
D
7
IRING6EN
T
I
"
O
X
V'.
$
3ERIA
L
(A
LL
#ALL
0
O
R
T


Table of Contents