EasyManua.ls Logo

Siemens sinamics dcp - Fig. 3-6 2055 - Digital outputs (DO 0... DO 3)

Siemens sinamics dcp
518 pages
Print Icon
To Next Page IconTo Next Page
To Next Page IconTo Next Page
To Previous Page IconTo Previous Page
To Previous Page IconTo Previous Page
Loading...
3 Function diagrams
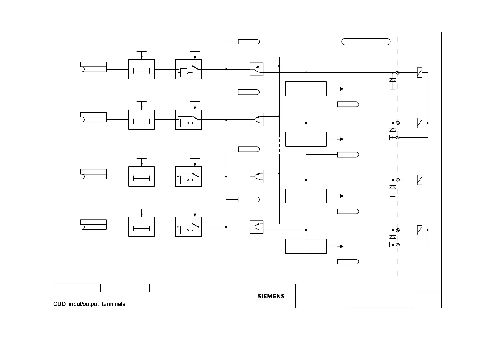
3.3 CUD input/output terminals
SINAMICS DCP
320 List Manual (LH21), 05/2016
Fig. 3-6 2055 – Digital outputs (DO 0 ... DO 3)
fp_2055_89.vsd
12345678
- 2055 -
SINAMICS DCP
03.06.2014 v 1.2
DO: DCP_CTRL
- Digital outputs (DO 0 ... DO 3)
Function diagram
M
M
M
M
P24
<1>
<1>
<1>
<1>
CUD
X177.20
X177.21
X177.22
X177.24
X177.19
X177.23
+
+
+
+
+
+
+
+
+
+
+
+
+
+
+
+
r53020.00
r53020.01
r53020.02
r53020.03
r53021.00
A60018
DO overload
Short-circuit
monitoring
CUD DO inv
p50770[3]
1
0
+
1
TT
CUD DO 3 t_del
0...10000 [ms]
p50778 (0 ms)
p50771
(0)
CUD DO 0 s_src
p50772
(0)
CUD DO 1 s_src
p50773
(0)
CUD DO 2 s_src
p50774
(0)
CUD DO 3 s_src
TT
CUD DO 2 t_del
0...10000 [ms]
p50777 (0 ms)
TT
CUD DO 1 t_del
0...10000 [ms]
p50776 (0 ms)
TT
CUD DO 0 t_del
0...10000 [ms]
p50775 (0 ms)
CUD DO inv
p50770[2]
1
0
+
1
CUD DO inv
p50770[1]
1
0
+
1
CUD DO inv
p50770[0]
1
0
+
1
+
r53021.01
Short-circuit
monitoring
A60018
DO overload
+
r53021.02
Short-circuit
monitoring
A60018
DO overload
+
r53021.03
Short-circuit
monitoring
A60018
DO overload
For log. "1": Output transistor is conductive
DO 1
DO 2
DO 3
DO 0
4000 μs
[1020.7]
<1>

Table of Contents

Other manuals for Siemens sinamics dcp

Related product manuals