EasyManua.ls Logo

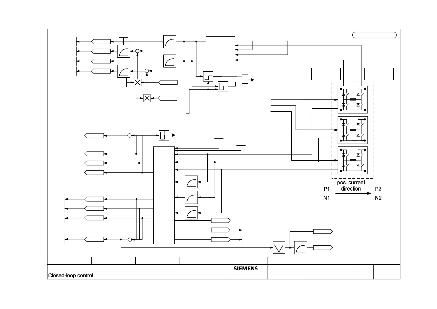
Siemens sinamics dcp - Fig. 3-40 6850 -Actual value acquisition

Siemens sinamics dcp
518 pages
Print Icon
To Next Page IconTo Next Page
To Next Page IconTo Next Page
To Previous Page IconTo Previous Page
To Previous Page IconTo Previous Page
Loading...
3 Function diagrams
3.9 Closed-loop control
SINAMICS DCP
360 List Manual (LH21), 05/2016
Fig. 3-40 6850 –Actual value acquisition
fp_6850_89.vsd
12345678
- 6850 -
SINAMICS DCP
02.05.2016 v 1.2
DO: DCP_CTRL
- Actual value acquisition
Function diagram
Current
actual
value
measurem
ent
Reactor
current 2
Reactor
current 1
+
+
Voltage actual
value
measurement
r55502
Act val U S2 [%]
r55501
Act val U S1 [%]
r55511
ActVal I_react PU1 [%]
r55512
ActVal I_react PU2 [%]
r55522
ActVal I_re PU2avg [%]
r55523
ActVal I_re PU3avg [%]
Control signal jumper 1
Control signal jumper 2
Pulse frequency
[6830.7]
F60504
PU overvoltage
Input
(= Side 1)
Output
(= Side 2)
r55510
Act val I_re sum [%]
r55520
ActVal I_re SumAvg [%]
r00027
I_act abs val smth [A]
r00068
I_act abs val [A]
+
100 ms
3.3 ms
850 V / 1050 V
+
+
>1
_
F60503
PU overcurrent
+/-80%
Act val U S1
r55503
Act val U S2
r55504
r55530
Allow overvoltage
[6810.2]
+
+
Control signal jumper 3
Reactor
current 3
r55513
ActVal I_react PU3 [%]
+
+
+
+
r55521
ActVal I_re PU1avg [%]
+
+
+
+
r55531
r55532
r55533
+
r55541
Act val I_S1 [%]
r55542
Act val I_S2 [%]
Act val I_S2
r55544
r55506
Act val U inner S2 [%]
r55505
Act val U inner S1 [%]
Act val U inner S1
r55507
Act val U inner S2
r55508
R inner S2
p55516
R inner S1
p55515
+
+
-
+
+
+
ActVal U offs adj
p55545
ActVal U gain adj
p55546
ActVal I offs adj
p55525
ActVal I gain adj
p55526
r55541
Act val I_S1 [%]
r55542
Act val I_S2 [%]
[6850.4]
[6850.4]
r55540
Act P [%]
Act val I_S1
r55543
U_act T
p55518

Table of Contents

Other manuals for Siemens sinamics dcp

Related product manuals