EasyManua.ls Logo

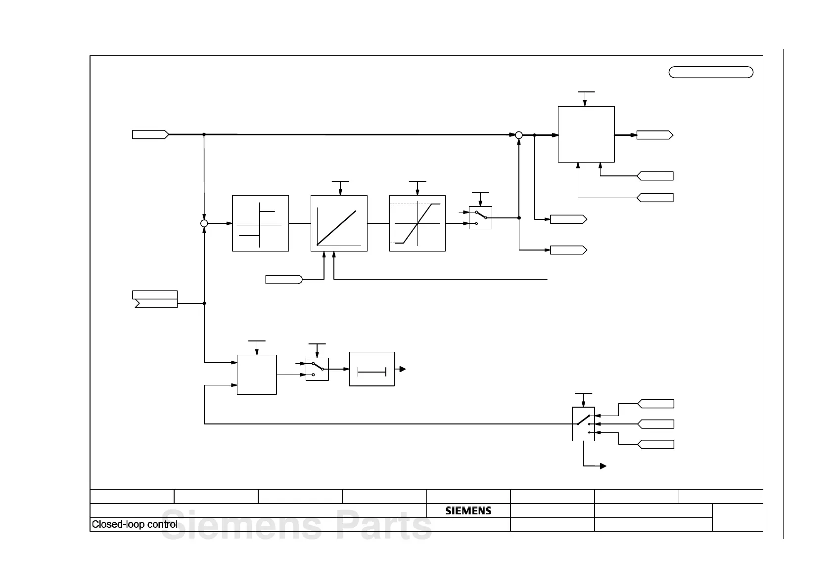
Siemens sinamics dcp - Fig. 3-29 6806 - Correction current controller

Siemens sinamics dcp
518 pages
To Next Page IconTo Next Page
To Next Page IconTo Next Page
To Previous Page IconTo Previous Page
To Previous Page IconTo Previous Page
Loading...
SINAMICS DCP
List Manual (LH21), 05/2016
349
3 Function diagrams
3.9 Closed-loop control
Fig. 3-29 6806 – Correction current controller
fp_6806_89.vsd
12345678
- 6806 -
SINAMICS DCP
25.04.2016 v 1.2
DO: DCP_CTRL
- Correction current controller
Function diagram
+
+
-
+
r55071
I_set reactor [%]
y
x
Corr_ctrl lim
p55161 (10.000 %)
Corr_ctrl t_int
p55160 (1000 ms)
500 μs
r55151
Corr_ctrl outp [%]
+
r55072
I_set aft lim min [%]
+
[6805.7]
[2585.8] r00899.11
Pulses enab
p55156
(0)
I_act ext s_src
I_set significance
p55060
Setpoint
--->
Reactor
current
r55540
Act P [%]
[6850.4]
T 0
B
A
A B
+
F60511
Dev I_act int ext too high
I_set significance
p55060
1
0
0
I_act val ext act
p55155 (0)
1
0
0
I_act val ext act
p55155 (0)
r55501
Act val U S1 [%]
r55502
Act val U S2 [%]
[6850.2]
[6850.2]
r55073
I_set corrected [%]
+
[6812.8]
a limit has been reached
[6812.5]
[6817.7]
[6810.7]
[6820.6]
[6825.8]
stop
Corr_ctrl lim
p55161 (10.000 %)
r55541
Act val I_S1 [%]
r55542
Act val I_S2 [%]
[6850.4]
[6850.4]
12
13
11
F60058
Par not consistent
1 s
[6810.1]
Siemens Parts

Table of Contents

Other manuals for Siemens sinamics dcp

Related product manuals