EasyManua.ls Logo

Siemens sinamics dcp - Fig. 3-15 2460 - IF1 receive telegram, free interconnection via BICO (p0922 = 999)

Siemens sinamics dcp
518 pages
To Next Page IconTo Next Page
To Next Page IconTo Next Page
To Previous Page IconTo Previous Page
To Previous Page IconTo Previous Page
Loading...
3 Function diagrams
3.4 PROFIdrive
SINAMICS DCP
330 List Manual (LH21), 05/2016
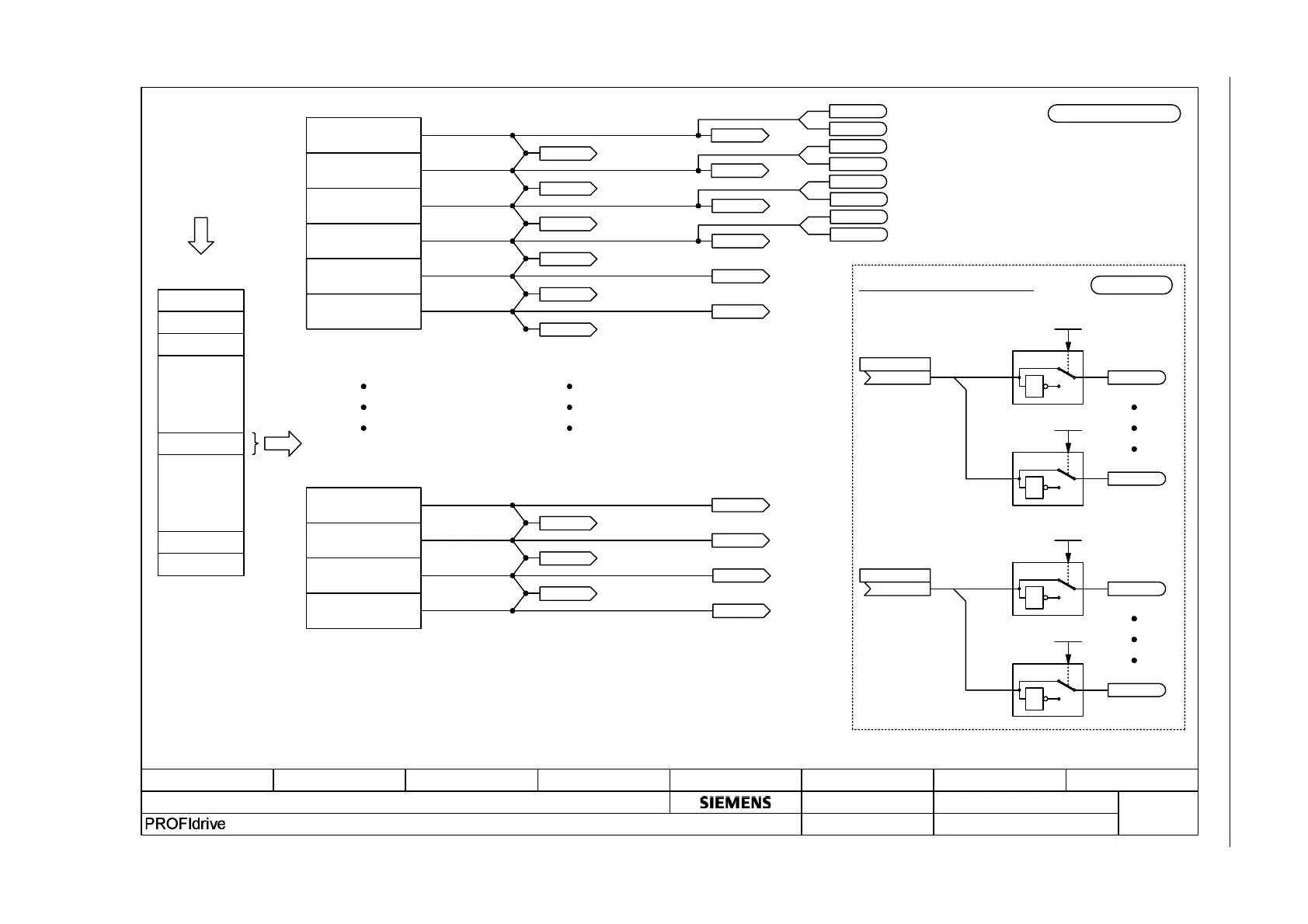
Fig. 3-15 2460 – IF1 receive telegram, free interconnection via BICO (p0922 = 999)
fp_2460_89.vsd
12345678
- 2460 -
SINAMICS DCP
03.06.2014 v 1.2
DO: DCP_CTRL
- IF1 receive telegram, free interconnection via BICO (p0922 = 999)
Function diagram
...
.
.
.
.
.
.
r02050[0]
r02090.00
r02060[0] IF1 PZD recv DW
r02090.15
r02050[1]
...
r02091.00
r02091.15
...
r02050[2]
r02060[2] IF1 PZD recv DW
r02092.15
r02050[3]
...
r02093.00
r02093.15
r02092.00
r02060[1] IF1 PZD recv DW
r02050[4]
r02050[5]
r02060[5]
IF1 PZD recv DW
r02060[4] IF1 PZD recv DW
r02060[3]
IF1 PZD recv DW
r02050[28]
r02060[28] IF1 PZD recv DW
r02050[29]
r02050[30]
r02060[30] IF1 PZD recv DW
r02050[31]
r02060[29] IF1 PZD recv DW
<1>
<3> <3>
[1020.7]
PROFIdrive sampling time
<2>
<4>
<2>
p2048
r02094.00
r02094.15
r02095.00
r02095.15
Con/bin outp inv
p02098[0].0
Con/bin outp inv
p02098[0].15
Con/bin outp inv
p02098[1].15
Con/bin outp inv
p02098[1].0
p02099 [0]
(0)
Con/bin S_src
p02099 [1]
(0)
Con/bin S_src
1
0
+
1
1
0
+
1
1
0
+
1
1
0
+
1
+
+
+
+
+
+
+
+
+
+
+
+
+
+
+
+
+
+
+
+
+
+
+
+
+
+
+
+
+
+
+
+
+
+
+
PROFIBUS
PROFINET
USS
PROFIdrive
receive telegram
Header
Drive object 1
Drive object 2
Drive object n
Drive object m
Trailer
PZD receive word 1
PZD receive word 2
PZD receive word 3
PZD receive word 4
PZD receive word 5
PZD receive word 6
PZD receive word 29
PZD receive word 30
PZD receive word 31
PZD receive word 32
2 connector-binector converters
To comply with the PROFIdrive profile, receive word 1 must be used as control word 1 (STW1) (due to bit 10, "Control request").
Using the two connector-binector converters, the bits from two of the PZD receive words (5 to 32) can be extracted and used as binectors.
For words and double words, the 4000 hex = 100% and 4000 0000 hex = 100% representations apply respectively.
The connector-binector converter only ever converts the lower 16 bits, regardless of the input variable.
<1>
<2>
<3>
<4>

Table of Contents

Other manuals for Siemens sinamics dcp

Related product manuals