EasyManua.ls Logo

Siemens sinamics dcp - Fig. 3-20 2580 - Control word, sequence control

Siemens sinamics dcp
518 pages
To Next Page IconTo Next Page
To Next Page IconTo Next Page
To Previous Page IconTo Previous Page
To Previous Page IconTo Previous Page
Loading...
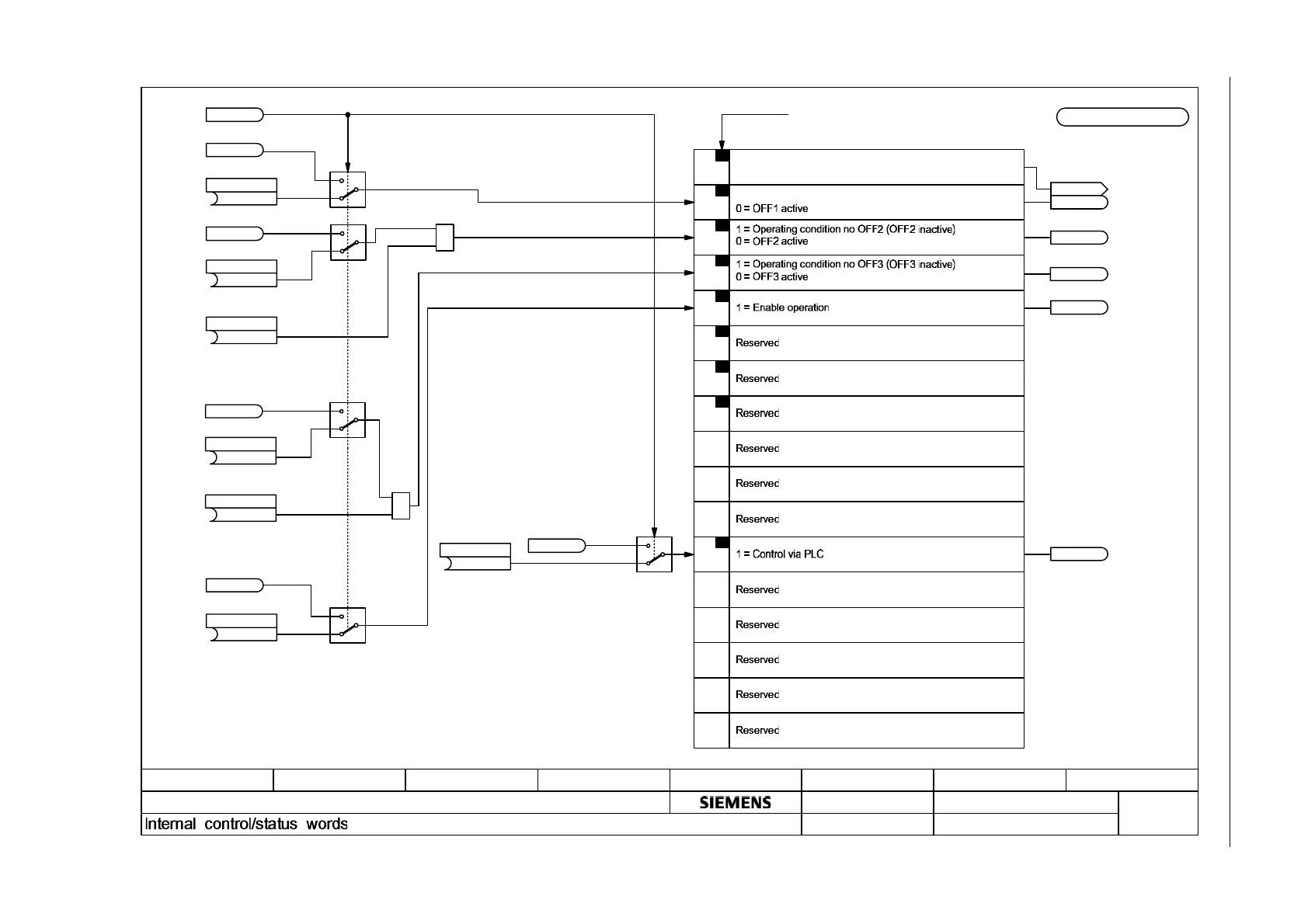
3 Function diagrams
3.5 Internal control/status words
SINAMICS DCP
336 List Manual (LH21), 05/2016
Fig. 3-20 2580 – Control word, sequence control
fp_2580_89.vsd
12345678
- 2580 -
SINAMICS DCP
08.05.2014 v 1.2
DO: DCP_CTRL
- Control word sequence control
Function diagram
11
12
13
14
15
10
7
6
5
4
3
2
1
0
9
8
0
1
0
1
&
r00807.00
PcCtrl active
0
1
0
1
+
r00898
r00898.0
STW seq_ctrl
p03982.00
ON/OFF1
p03982.01
OC / OFF2
p03982.03
p03982.10
p00854 [C]
(1)
p00840 [C]
(2090.0;1)
ON / OFF (OFF1)
p00844 [C]
(1)
OFF2 S_src 1
p00845 [C]
(1)
OFF2 S_src 2
p00852 [C]
(2090.1;1)
Operation enable
<1>
r00898.01
r00898.03
r00898.10
<1>
16,000 μs
[1020.7]
Bit 10 must be set in the first PZD word of
the telegram received from the serial
interfaces, so that the
drive can accept the process data.
PROFIdrive bit
Bit no.
Control word sequence control
1 = ON
To sequence control [2650]
To sequence control [2650]
<2>
<2>
<2>
<2>
<2> p3982 is for setting the control word from
STARTER or from the AOP30. It must not be used
by the user. Therefore it is not
included in the List Manual.
[8020.3]
[5830.3]
[5830.3]
r00898.02
To sequence control [2650]
0
1
&
p03982.02
OC / OFF3
p00848 [C]
(1)
OFF3 S_src 1
p00849 [C]
(1)
OFF3 S_src 2
<2>
[8020.3]

Table of Contents

Other manuals for Siemens sinamics dcp

Related product manuals