EasyManua.ls Logo

Siemens sinamics dcp - Fig. 3-10 2080 - Analog inputs (AI 1... AI 2)

Siemens sinamics dcp
518 pages
Print Icon
To Next Page IconTo Next Page
To Next Page IconTo Next Page
To Previous Page IconTo Previous Page
To Previous Page IconTo Previous Page
Loading...
3 Function diagrams
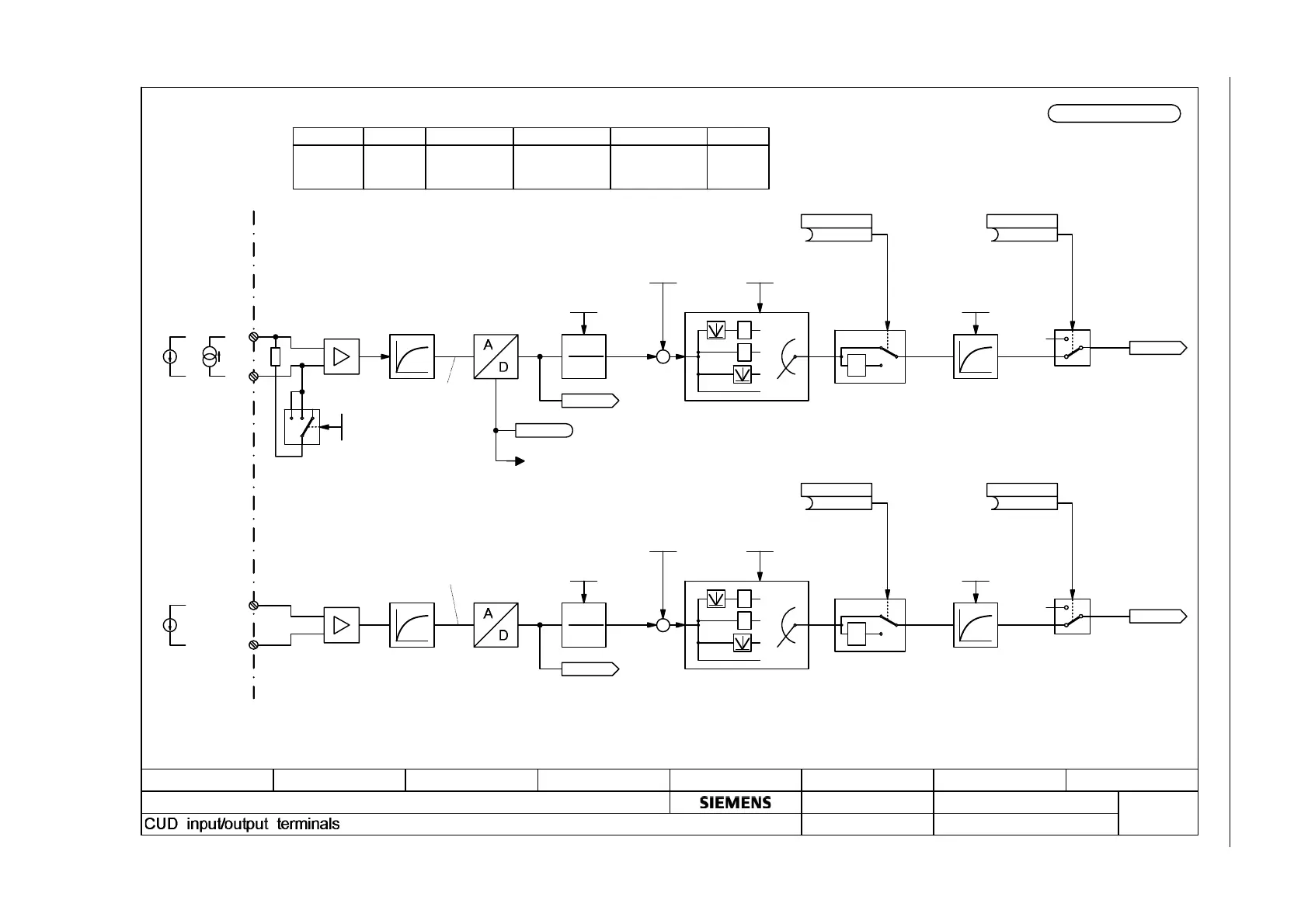
3.3 CUD input/output terminals
SINAMICS DCP
324 List Manual (LH21), 05/2016
Fig. 3-10 2080 – Analog inputs (AI 1 ... AI 2)
fp_2080_89.vsd
12345678
- 2080 -
SINAMICS DCP
03.06.2014 v 1.2
DO: DCP_CTRL
- Analog inputs (AI 1 ... AI 2)
Function diagram
+
+
+
+
+
+
+
i
±20mA
u
± 10V
1
0
-1
-1
3
2
1
0
r52014
r52015
r52016
CUD
NormalizingSignal type Offset
CUD AI 1 type
0...2
p50710 (0)
F60047
Wire brk at AI 1
r53030.01
CUD AI wire brk
1ms
X177.28
X177.27
10V=100%
20mA=100%
U I r52xxx
-10V ... +10V
---
---
-100% ... +100%
0 ... +100%
-100% ... +100%
---
4 ... 20mA
-20...+20mA
0
2
1
100%
100%
100%
0%
0%
0%
CUD AI 1 scal
-1000.0...1000.0 [%]
p50711[D] (100.0)
CUD AI 1 offs
-200.00...200.00 [%]
p50712 (0.00)
CUD AI 1 sig proc
0...3
p50713 (0)
100%
p50711
*
CUD AI 1 T
0...10000 [ms]
p50715 (0)
0%
+
1
0
-1
-1
3
2
1
0
r52017
CUD AI 2 offs
-200.00...200.00 [%]
p50722 (0.00)
CUD AI 2 sig proc
0...3
p50723 (0)
CUD AI 2 T
0...10000 [ms]
p50725 (0)
0%
1
0
+
-1
1
0
+
-1
1ms
p50716
(1)
CUD AI 1 ena s_src
p50714
(0)
CUD AI 1 inv
p50724
(0)
CUD AI 2 inv
p50726
(1)
CUD AI 2 ena s_src
AI 1
120
u
± 10V
X177.30
X177.29
AI 2
10V=100%
CUD AI 2 scal
-1000.0...1000.0 [%]
p50721[D] (100.0)
100%
p50721
*
(i  2mA)
1,000 μs
[1020.7]
[5884.1]

Table of Contents

Other manuals for Siemens sinamics dcp

Related product manuals