EasyManua.ls Logo

Siemens sinamics dcp - Fig. 3-7 2060 - Digital inputs;outputs, bidirectional (DI;DO 4... DI;DO 5)

Siemens sinamics dcp
518 pages
Print Icon
To Next Page IconTo Next Page
To Next Page IconTo Next Page
To Previous Page IconTo Previous Page
To Previous Page IconTo Previous Page
Loading...
SINAMICS DCP
List Manual (LH21), 05/2016
321
3 Function diagrams
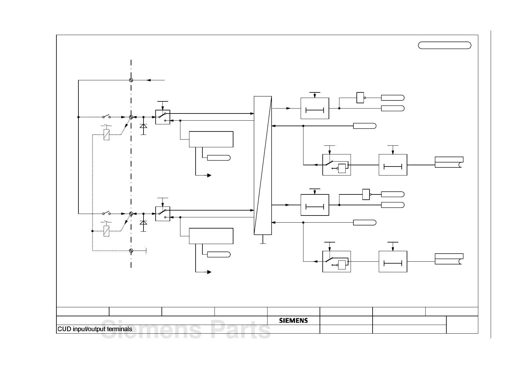
3.3 CUD input/output terminals
Fig. 3-7 2060 – Digital inputs/outputs, bidirectional (DI/DO 4 ... DI/DO 5)
fp_2060_89.vsd
12345678
- 2060 -
SINAMICS DCP
03.06.2014 v 1.2
DO: DCP_CTRL
- Digital inputs/outputs bidirectional (DI/DO 4 ... DI/DO 5)
Function diagram
TT
TT
+
+
X177.10
CUD
1
24 V
5 V
DI
DO
M
+
DO
+
1
DI
DO
DI
DO
DI
P24_S
M
DI/DO 4
DI/DO 5
X177.15
X177.16
X177.23
<1>
<1>
+
+
1
0
1
0
r53021.04
r53021.05
r53020.04
r53010.09
r53010.08
r53010.10
r53010.11
r53020.05
M
+
M
+
CUD DI/DO typ
0...1
p50789[0] (0)
CUD DI/DO inv
0...1
p50780[0] (0)
DI/DO 4 t_del_out
0...10000 [ms]
p50785 (0 ms)
DI/DO 5 t_del_out
0...10000 [ms]
p50786 (0 ms)
CUD DI/DO inv
0...1
p50780[1] (0)
CUD DI/DO typ
0...1
p50789[1] (0)
Short-circuit
monitoring
Short-circuit
monitoring
<1> The wiring represented as a dashed line applies during use as a digital output (p50789[x] = 1)
1
0
+
1
1
0
+
1
p50781
(0)
CUD DI/DO 4 s_src
p50782
(0)
CUD DI/DO 5 s_src
A60018
A60018
+
+
4000 μs
[1020.7]
[8020.1]
[8020.1]
[5812.1]
[5812.1]
DI/DO 4 t_del_inp
p50790 (0 ms)
0T
DI/DO 5 t_del_inp
p50791 (0 ms)
0T
Siemens Parts

Table of Contents

Other manuals for Siemens sinamics dcp

Related product manuals