EasyManua.ls Logo

Siemens sinamics dcp - Fig. 3-53 9350 - Paralleling interface

Siemens sinamics dcp
518 pages
To Next Page IconTo Next Page
To Next Page IconTo Next Page
To Previous Page IconTo Previous Page
To Previous Page IconTo Previous Page
Loading...
SINAMICS DCP
List Manual (LH21), 05/2016
377
3 Function diagrams
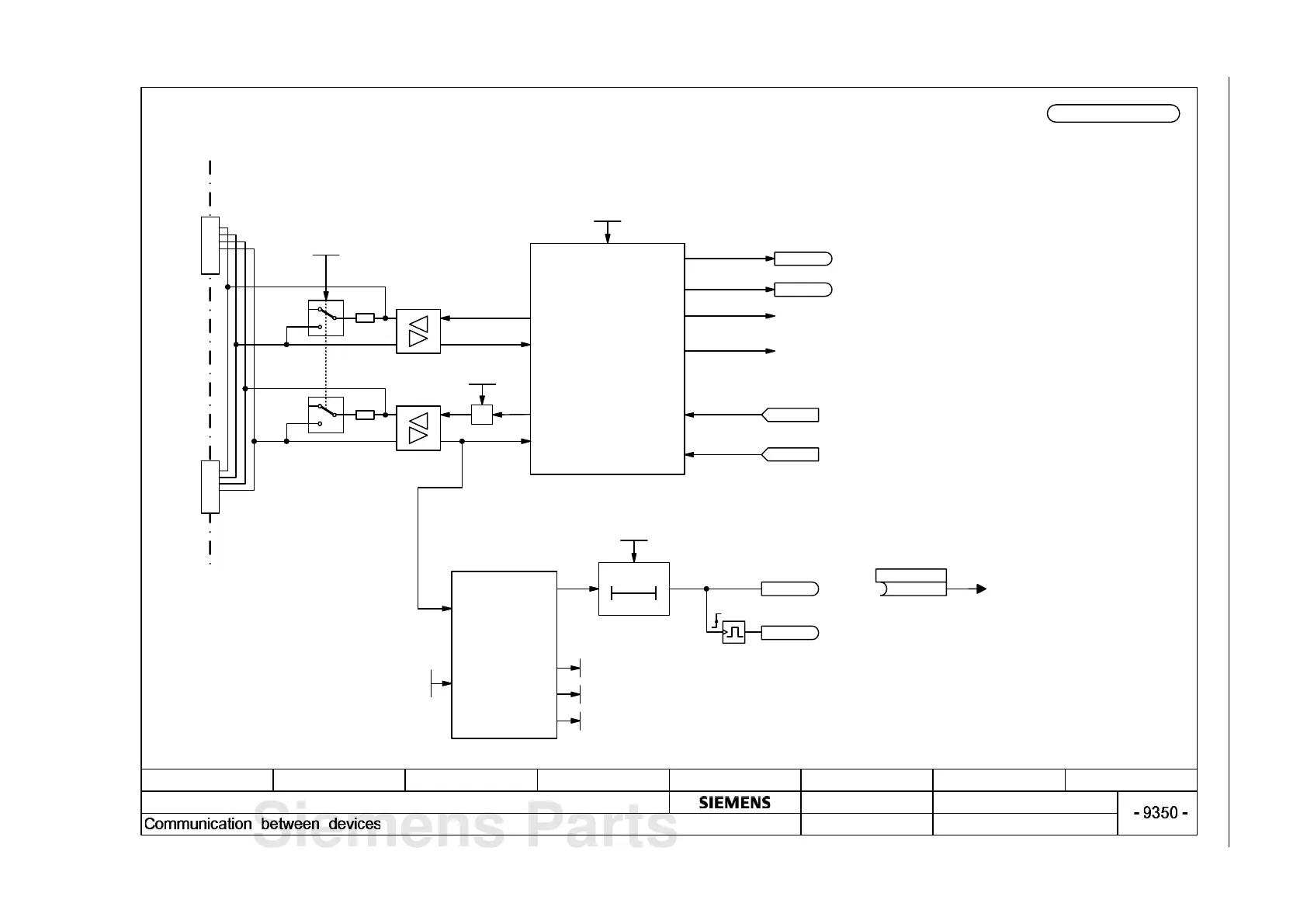
3.13 Communication between devices
Fig. 3-53 9350 – Paralleling interface
fp_9350_89.VSD
12345678
SINAMICS DCP
25.04.2016 v 1.2
DO: DCP_CTRL
- Parallel connection interface
Function diagram
X165
X166
CUD
CUD
+
+
+
+
1
0
1
0
Par_IF bus term
p51805 (0)
+
+
+
+
+
Par IF bus addr
p51806
Telegr mon t_fail
p51807
1s
0T
Com mon t_del
p50099
+
r51809 Par_IF diag info
r51810 Par_IF act disp
F60014
Par_IF t_monit expired
r51811 Par_IF CAN diag
p51808
(53310.0)
P_IF F60014 s_src
500 μs
[1020.7]
Sync+
Sync-
RS 485
current setpoint from master
pulse frequency from master
1 = "Telegram
monitoring time
expired"
Monitoring
CAN
Evaluation
r55172
Mn ctr I_react_set [%]
r55325
Modulator f_switch [Hz]
[6818.5]
[6830.7]
[6830.3]
[6820.2]
PU topo pos
p51800 (0)
r53310.2
OFF1 from master
r53310.3
Puls_enab fr mast
r53310.1
Telegr mon pul
r53310.0
Telegr mon dur
Siemens Parts

Table of Contents

Other manuals for Siemens sinamics dcp

Related product manuals