EasyManua.ls Logo

Siemens sinamics dcp - Fig. 3-13 2095 - Analog outputs (AO 0... AO 1)

Siemens sinamics dcp
518 pages
To Next Page IconTo Next Page
To Next Page IconTo Next Page
To Previous Page IconTo Previous Page
To Previous Page IconTo Previous Page
Loading...
SINAMICS DCP
List Manual (LH21), 05/2016
327
3 Function diagrams
3.3 CUD input/output terminals
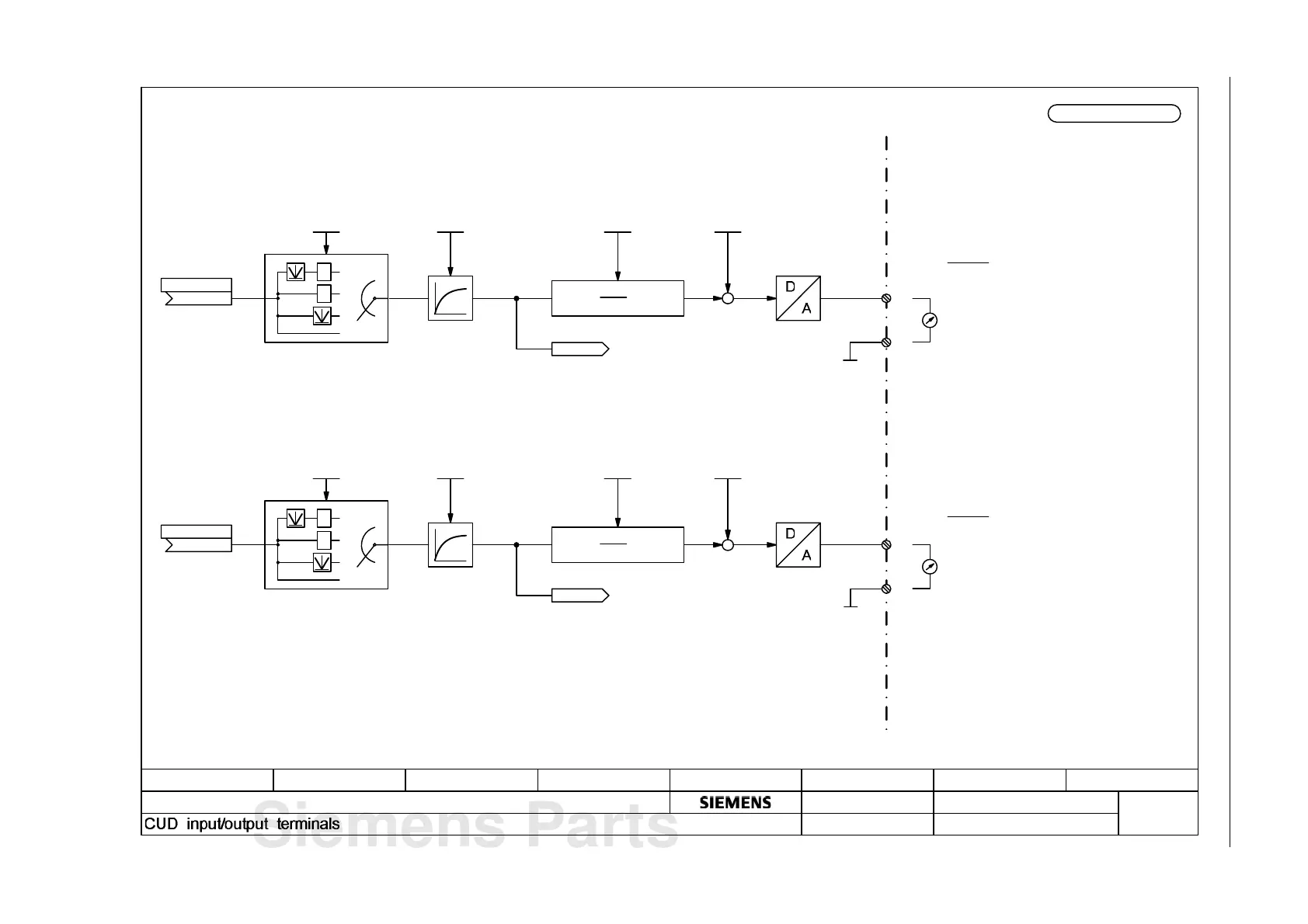
Fig. 3-13 2095 – Analog outputs (AO 0 ... AO 1)
fp_2095_89.vsd
12345678
- 2095 -
SINAMICS DCP
03.06.2014 v 1.2
DO: DCP_CTRL
- Analog outputs (AO 0 … AO 1)
Function diagram
CUD
+
+
M
-1
-1
3
2
1
0
p50750
(0)
CUD AO 0 s_src
M
+
+
-1
-1
3
2
1
0
r52026
r52027
X177.49
X177.50
X177.51
X177.52
Uout [V] =
r52026
100%
Uout [V] =
r52027
100%
yx
y [V] = * p50753
x
100%
yx
y [V] = * p50758
x
100%
p50755
(0)
CUD AO 1 s_src
CUD AO 0 sig proc
0...3
p50751 (0)
CUD AO 0 T
0...10000 [ms]
p50752 (0)
CUD AO 0 scal
-200.00...200.00 [V]
p50753 (10.00)
CUD AO 0 offs
-10.00...10.00 [V]
p50754 (0.00)
CUD AO 1 sig proc
0...3
p50756 (0)
CUD AO 1 T
0...10000 [ms]
p50757 (0)
CUD AO 1 scal
-200.00...200.00 [V]
p50758 (10.00)
CUD AO 1 offs
-10.00...10.00 [V]
p50759 (0.00)
AO 0
AO 1
4000 μs
[1020.7]
* p50753 + p50754
* p50758 + p50759
Siemens Parts

Table of Contents

Other manuals for Siemens sinamics dcp

Related product manuals